PRODUCTS

  • Home
  • Giới thiệu sản phẩm

Schaeffler
HYDNUT530-E
Hydraulic nut HYDNUT530-E
Thêm vào yêu cầu báo giá
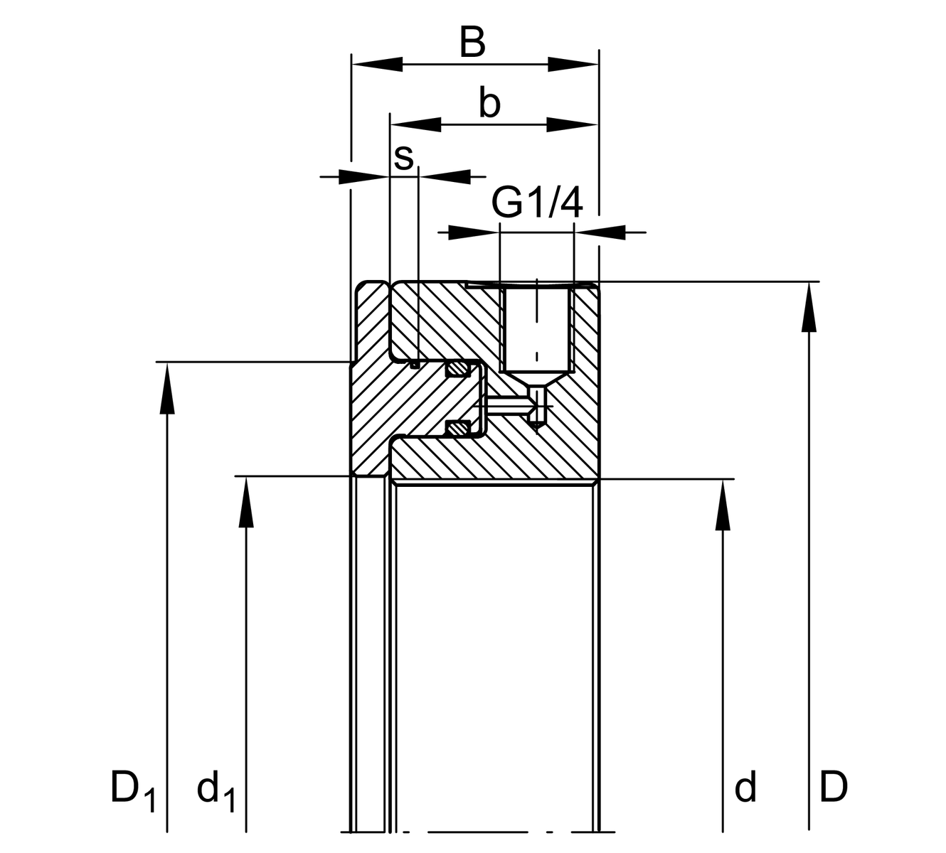
Technical data
d
Tr530x6
Thread
D
670 mm
Outer Diameter
B
81 mm
Width
b
68 mm
Width press ring
D1
617 mm
d1
532 mm
s
22 mm
Stroke, max.
562 cm²
Piston surface
400 bar
Pressure, max.
2,248 kN
Drive-up force, max.
≈m
84.6 kg
Weight

Additional information
1 pc. Hydraulic nut, 3 pcs. Clamping screws, 1 pc. Screw plug, 1 pc. Connection nipple, 3 pcs. to 5 pcs. Threaded pins, 1 pc. Hand lever, 1 pc. Replacement seal set, 1 pc. User manual
Scope of delivery

Your current product variant
SeriesEmetric fine pitch thread/trapezoid thread
Thêm vào yêu cầu báo giá