PRODUCTS
- Home
- Giới thiệu sản phẩm
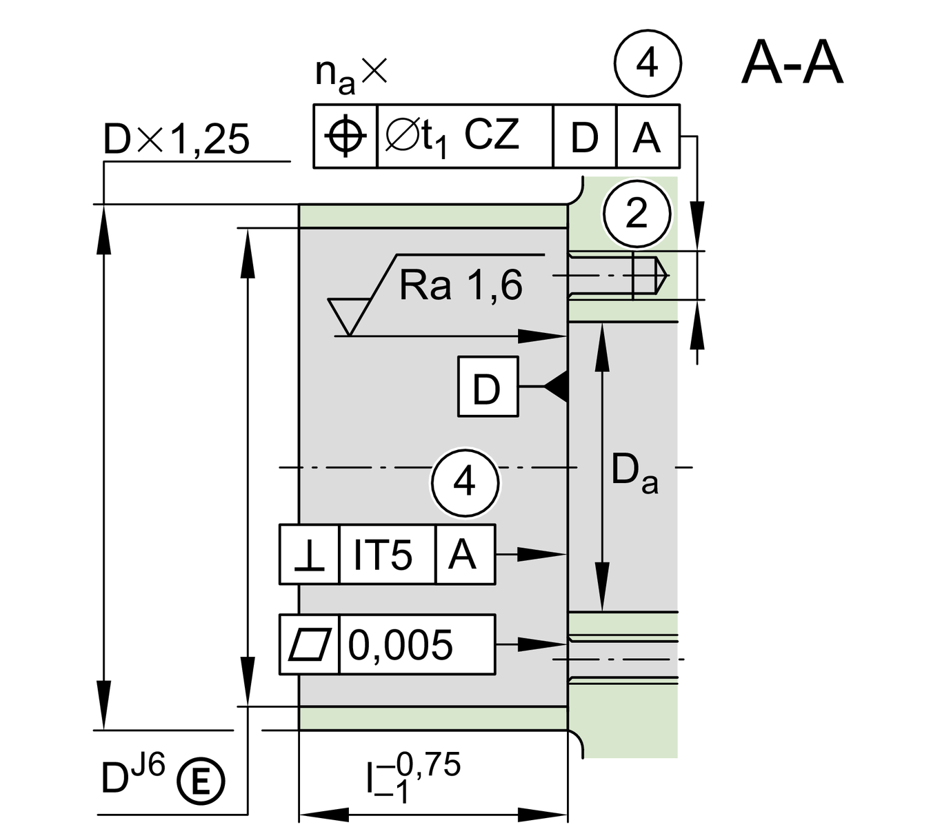
| d | 25 mm | Bore diameter |
0 mm | Bore diameter upper tolerance | |
-0.005 mm | Bore diameter lower tolerance | |
| D | 75 mm | Outside diameter |
0 mm | Outside diameter upper tolerance | |
-0.01 mm | Outside diameter lower tolerance | |
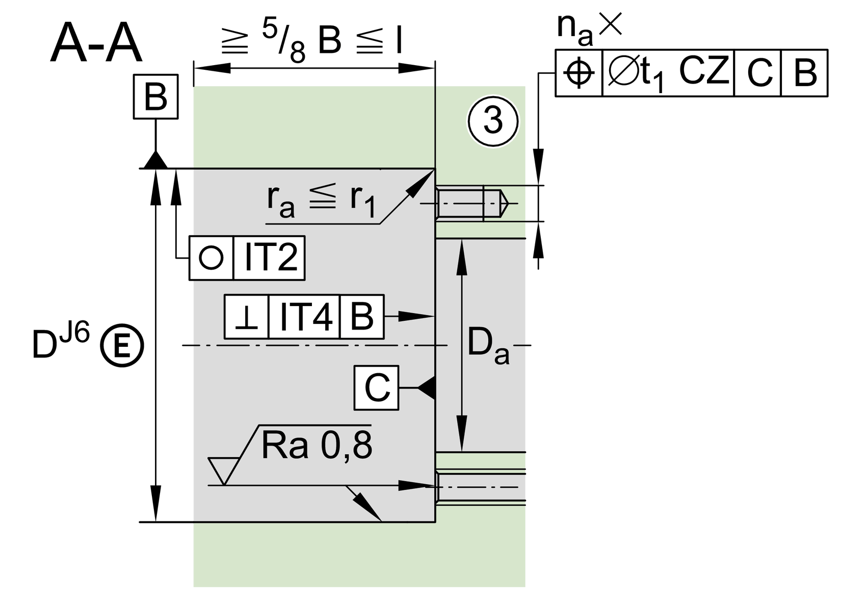
| B | 56 mm | Width |
0 mm | Width upper tolerance | |
-0.25 mm | Width lower tolerance | |
| Ca | 49,000 N | Basic dynamic load rating, axial |
| C0a | 111,000 N | Basic static load rating, axial |
| Cua | 6,700 N | Fatigue load limit, axial |
| nG Grease | 5,700 1/min | Limiting speed for grease lubrication |
| nϑ | 2,600 1/min | Thermally safe operating speed |
| MR | 0.6 Nm | Bearing frictional torque |
| ≈m | 1.389 kg | Weight |
| Da max | 48 mm | Maximum diameter of housing |
| da min | 32 mm | Minimum diameter shaft |
| t1 | 0.1 mm | Position tolerance of bore in the housing |
M6X70 | Size of fixing screws | |
| na | 8 | Number of holes in adjacent construction |
| ta | 45 ° | Pitch separation angle of holes in adjacent construction |
M6 | Connection thread for lubrication |
| d1 | 40.5 mm | Rib diameter inner ring |
| rmin | 0.3 mm | Minimum chamfer dimension |
| r1 min | 0.6 mm | Minimum chamfer dimension |
| J | 58 mm | Pitch circle diameter fixing holes |
| d2 | 6.8 mm | Fixing holes diameter |
| b | 3 mm | Width of extraction slot |
| I | 47 mm | Distance of extraction slot |
| n | 8 | Pitch quantity of fixing holes |
| t | 45 ° | Pitch separation angle of fixing holes |
| a | 60 ° | Contact angle |
| Tmin | -30 °C | Operating temperature min. |
| Tmax | 120 °C | Operating temperature max. |
| caL | 1,300 N/µm | Rigidity axial |
| ckL | 450 Nm/mrad | Tilting rigidity |
| Mm | 0.972 kg*cm2 | Mass moment of inertia |
2 µm | Axial runout | |
ZMA25/45 | Recommended INA precision locknut for radial locking | |
AM25 | Recommended INA precision locknut for axial locking | |
| MA | 25 Nm | Tightening torque for the recommended INA precision locknut |
9,123 N | Required locknut force axial |
| Number of bearings | 2AP | Axial angular contact ball bearings, matched pair |
| Sealing | 2RS | Contact lip seals on both sides |
| Tolerance class | Standard |