PRODUCTS

  • Home
  • Giới thiệu sản phẩm

INA
3006-2RS-C3
Angular contact ball bearing 3006-2RS-C3
Thêm vào yêu cầu báo giá
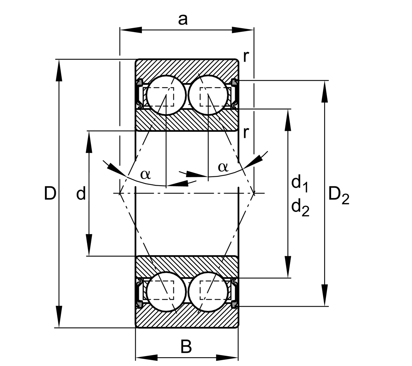
Main Dimensions & Performance Data
d
30 mm
Bore diameter
D
55 mm
Outside diameter
B
19 mm
Width
Cr
19,900 N
Basic dynamic load rating, radial
C0r
15,400 N
Basic static load rating, radial
Cur
800 N
Fatigue load limit, radial
nG
7,400 1/min
Limiting speed
≈m
0.17 kg
Weight

Mounting dimensions
da min
34.6 mm
Minimum diameter shaft shoulder
Da max
50.4 mm
Maximum diameter of housing shoulder
ra max
1 mm
Maximum fillet radius

Dimensions
rmin
1 mm
Minimum chamfer dimension
D1
46.92 mm
Shoulder diameter outer ring
D2
49.05 mm
Caliber diameter outer ring
d1
37.7 mm
Shoulder diameter inner ring
d2
35.68 mm
Caliber diamter inner ring
a
27.4 mm
Distance between the apexes of the pressure cones
α
25 °
Contact angle

Temperature range
Tmin
-20 °C
Operating temperature min.
Tmax
100 °C
Operating temperature max.

Your current product variant
Design variantBBearing without filling slot
Sealing2RSContact seal on both sides
CageTVHsolid cage made of glass-fiber reinforced polyamid PA66
Tolerance classPNNormal (PN)
Dimensional / heat stabilization SNRings dimensional stabilized up to 120°
LubricantGA14Ball bearing grease, low noise, standard for D<=62mm
Axial internal clearanceC3Group 3 (C3), bigger than CN
Thêm vào yêu cầu báo giá