PRODUCTS

  • Home
  • Giới thiệu sản phẩm

Schaeffler
HYDNUT480-E-INCH
Hydraulic nut HYDNUT480-E-INCH
Thêm vào yêu cầu báo giá
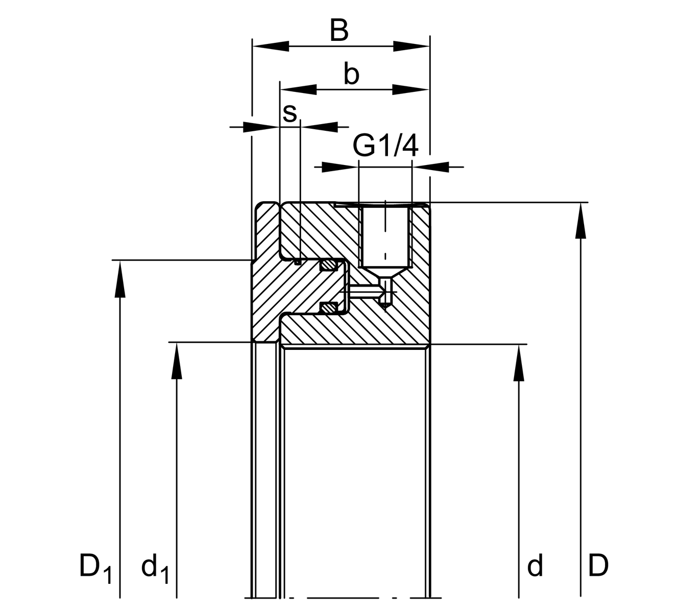
Technical data
d
479.908 mm
Thread nominal diameter
476.86 mm
Thread flank diameter
ACME
Thread type
5
Number of thread convolutions per inch
D
612 mm
Outer Diameter
B
79 mm
Width
b
65 mm
Width press ring
D1
560 mm
d1
482 mm
s
19 mm
Stroke, max.
460 cm²
Piston surface
400 bar
Pressure, max.
1,840 kN
Drive-up force, max.
≈m
69 kg
Weight

Additional information
1 pc. Hydraulic nut, 3 pcs. Clamping screws, 1 pc. Screw plug, 1 pc. Connection nipple, 3 pcs. to 5 pcs. Threaded pins, 1 pc. Hand lever, 1 pc. Replacement seal set, 1 pc. User manual
Scope of delivery

Your current product variant
SeriesE-INCHinch thread by UN/ACME standard
Thêm vào yêu cầu báo giá