PRODUCTS
- Home
- Giới thiệu sản phẩm
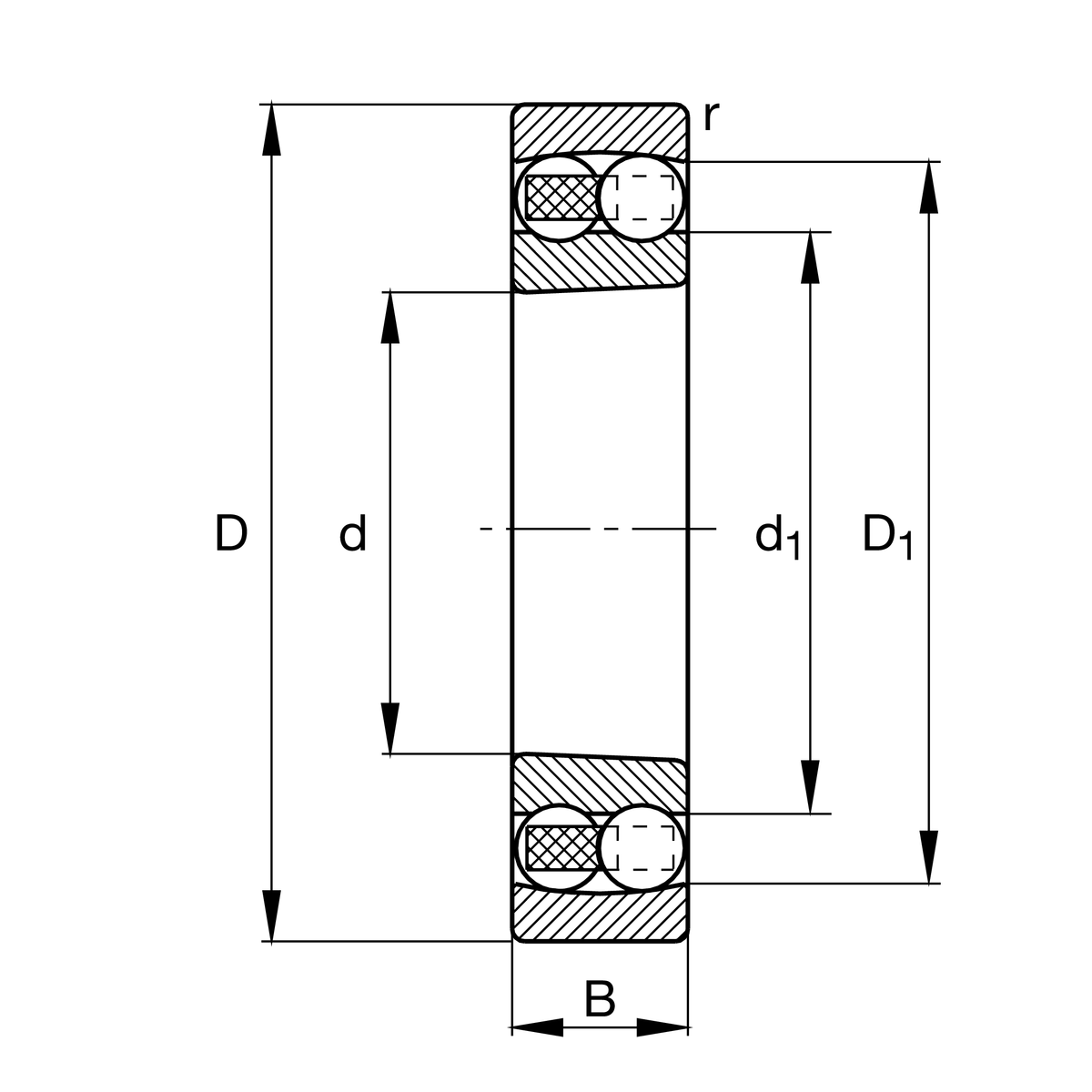
| d | 110 mm | Bore diameter |
| D | 200 mm | Outside diameter |
| B | 53 mm | Width |
| Cr | 126,000 N | Basic dynamic load rating, radial |
| C0r | 52,000 N | Basic static load rating, radial |
| Cur | 2,650 N | Fatigue load limit, radial |
| nG | 5,000 1/min | Limiting speed |
| nϑr | 4,700 1/min | Reference speed |
| ≈m | 7.024 kg | Weight |
| da min | 122 mm | Minimum diameter shaft shoulder |
| da max | 132 mm | Maximum diameter shaft shoulder |
| Da max | 188 mm | Maximum diameter of housing shoulder |
| db min | 118 mm | Minimum cavity diameter of the sleeve |
| Ba min | 6 mm | Minimum cavity width of the sleeve |
| ra max | 2.1 mm | Maximum fillet radius |
| rmin | 2.1 mm | Minimum chamfer dimension |
| D1 | 174.1 mm | Shoulder diameter outer ring |
| d1 | 136.9 mm | Shoulder diameter inner ring |
| Tmin | -30 °C | Operating temperature min. |
| Tmax | 150 °C | Operating temperature max. |
| e | 0.28 | Limiting value of Fa/Fr for the applicability of diff. Values of factors X and Y |
| Y1 | 2.22 | Dynamic axial load factor |
| Y2 | 3.44 | Dynamic axial load factor |
| Y0 | 2.33 | Static axial load factor |
H322 | Adapter sleeve |
| Bore type | K | Tapered, taper 1:12 |
| Sealing | Without | Not sealed |
| Cage | M | solid brass cage, ball guided |
| Tolerance class | PN | Normal (PN) |
| Lubricant | Without | Bearing not greased |
| Radial internal clearance | CN (Group N) | Normal internal clearance |