PRODUCTS

  • Home
  • Giới thiệu sản phẩm

FAG
20222-MB
Barrel roller bearing 20222-MB
Thêm vào yêu cầu báo giá
Main Dimensions & Performance Data
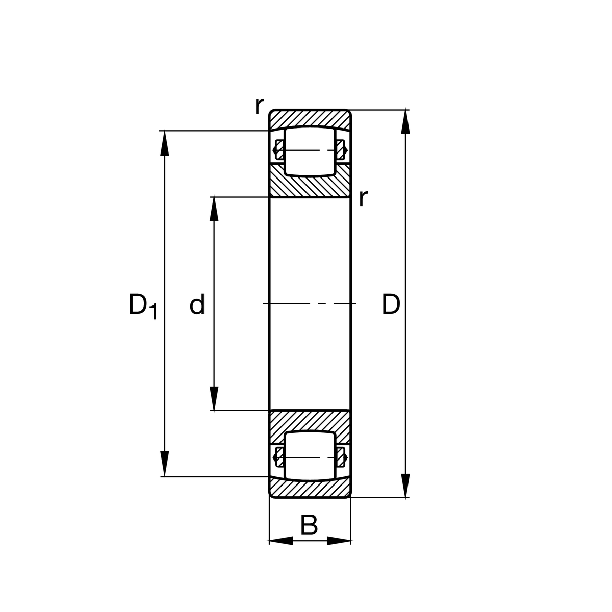
d
110 mm
Bore diameter
D
200 mm
Outside diameter
B
38 mm
Width
Cr
285,000 N
Basic dynamic load rating, radial
C0r
370,000 N
Basic static load rating, radial
Cur
35,000 N
Fatigue load limit, radial
nG
3,600 1/min
Limiting speed
≈m
5.525 kg
Weight

Mounting dimensions
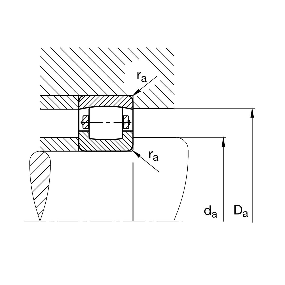
da min
122 mm
Minimum diameter shaft shoulder
Da max
188 mm
Maximum diameter of housing shoulder
ra max
2.1 mm
Maximum recess radius

Dimensions
rmin
2.1 mm
Minimum chamfer dimension
D1
178.6 mm
Bore diameter outer ring

Temperature range
Tmin
-30 °C
Operating temperature min.
Tmax
200 °C
Operating temperature max.

Your current product variant
Bore typeZCylindrical
CageMBSolid brass cage
Radial internal clearanceCN (Group N)Normal internal clearance
Thêm vào yêu cầu báo giá