PRODUCTS

  • Home
  • Giới thiệu sản phẩm

Schaeffler
HYDNUT400-E-INCH
Hydraulic nut HYDNUT400-E-INCH
Thêm vào yêu cầu báo giá
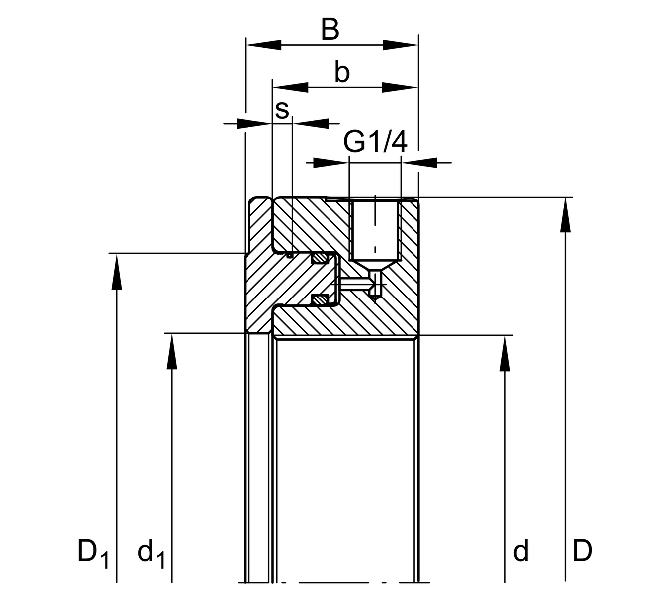
Technical data
d
399.923 mm
Thread nominal diameter
396.875 mm
Thread flank diameter
ACME
Thread type
5
Number of thread convolutions per inch
D
525 mm
Outer Diameter
B
69 mm
Width
b
58 mm
Width press ring
D1
477 mm
d1
402 mm
s
17 mm
Stroke, max.
368.4 cm²
Piston surface
500 bar
Pressure, max.
1,842 kN
Drive-up force, max.
≈m
49.6 kg
Weight

Additional information
1 pc. Hydraulic nut, 3 pcs. Clamping screws, 1 pc. Screw plug, 1 pc. Connection nipple, 3 pcs. to 5 pcs. Threaded pins, 1 pc. Hand lever, 1 pc. Replacement seal set, 1 pc. User manual
Scope of delivery

Your current product variant
SeriesE-INCHinch thread by UN/ACME standard
Thêm vào yêu cầu báo giá