PRODUCTS

  • Home
  • Giới thiệu sản phẩm

Schaeffler
HYDNUT380-E-INCH
Hydraulic nut HYDNUT380-E-INCH
Thêm vào yêu cầu báo giá
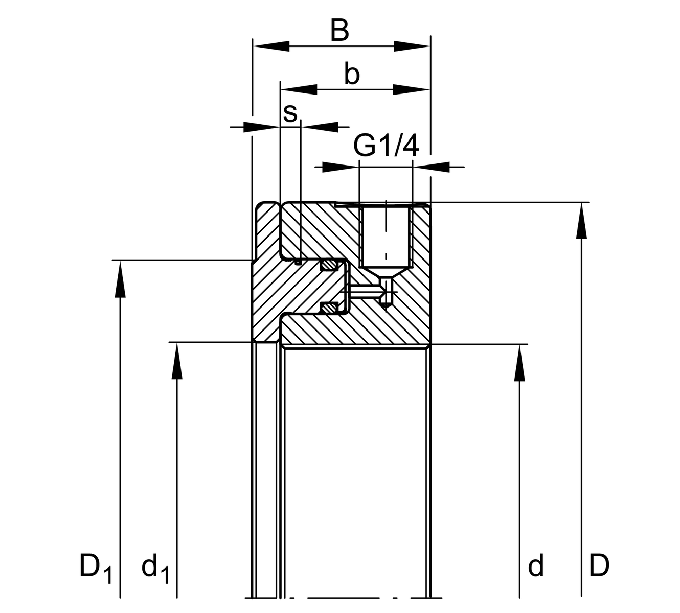
Technical data
d
379.908 mm
Thread nominal diameter
376.86 mm
Thread flank diameter
ACME
Thread type
5
Number of thread convolutions per inch
D
500 mm
Outer Diameter
B
66 mm
Width
b
55 mm
Width press ring
D1
454 mm
d1
382 mm
s
16 mm
Stroke, max.
336.9 cm²
Piston surface
500 bar
Pressure, max.
1,685 kN
Drive-up force, max.
≈m
43.6 kg
Weight

Additional information
1 pc. Hydraulic nut, 3 pcs. Clamping screws, 1 pc. Screw plug, 1 pc. Connection nipple, 3 pcs. to 5 pcs. Threaded pins, 1 pc. Hand lever, 1 pc. Replacement seal set, 1 pc. User manual
Scope of delivery

Your current product variant
SeriesE-INCHinch thread by UN/ACME standard
Thêm vào yêu cầu báo giá