PRODUCTS

  • Home
  • Giới thiệu sản phẩm

Schaeffler
HYDNUT375-HEAVY
Hydraulic nut HYDNUT375-HEAVY
Thêm vào yêu cầu báo giá
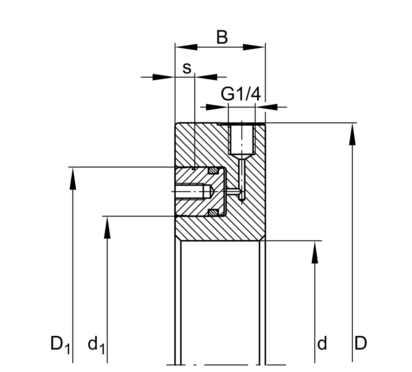
Technical data
d
375 mm
Inner diameter (tolerance: H7)
D
575 mm
Outer Diameter
B
54 mm
Width
D1
510 mm
d1
410 mm
s
13 mm
Stroke, max.
723 cm²
Piston surface
500 bar
Pressure, max.
3,610 kN
Drive-up force, max.
≈m
62.2 kg
Weight

Additional information
1 pc. Hydraulic nut, 1 pc. Screw plug, 1 pc. Connection nipple, 1 pc. Replacement seal set, 1 pc. User manual
Scope of delivery

Your current product variant
SeriesHEAVYreinforced version without thread
Thêm vào yêu cầu báo giá