PRODUCTS

  • Home
  • Giới thiệu sản phẩm

Schaeffler
HYDNUT365-E
Hydraulic nut HYDNUT365-E
Thêm vào yêu cầu báo giá
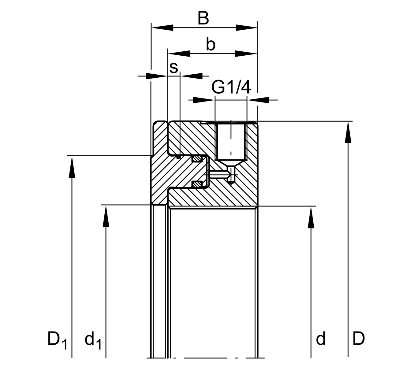
Technical data
d
Tr365x5
Thread
D
482 mm
Outer Diameter
B
65 mm
Width
b
54 mm
Width press ring
D1
436 mm
d1
367 mm
s
15 mm
Stroke, max.
316.7 cm²
Piston surface
500 bar
Pressure, max.
1,584 kN
Drive-up force, max.
≈m
40.1 kg
Weight

Additional information
1 pc. Hydraulic nut, 3 pcs. Clamping screws, 1 pc. Screw plug, 1 pc. Connection nipple, 3 pcs. to 5 pcs. Threaded pins, 1 pc. Hand lever, 1 pc. Replacement seal set, 1 pc. User manual
Scope of delivery

Your current product variant
SeriesEmetric fine pitch thread/trapezoid thread
Thêm vào yêu cầu báo giá