PRODUCTS

  • Home
  • Giới thiệu sản phẩm

Schaeffler
HYDNUT275-E
Hydraulic nut HYDNUT275-E
Thêm vào yêu cầu báo giá
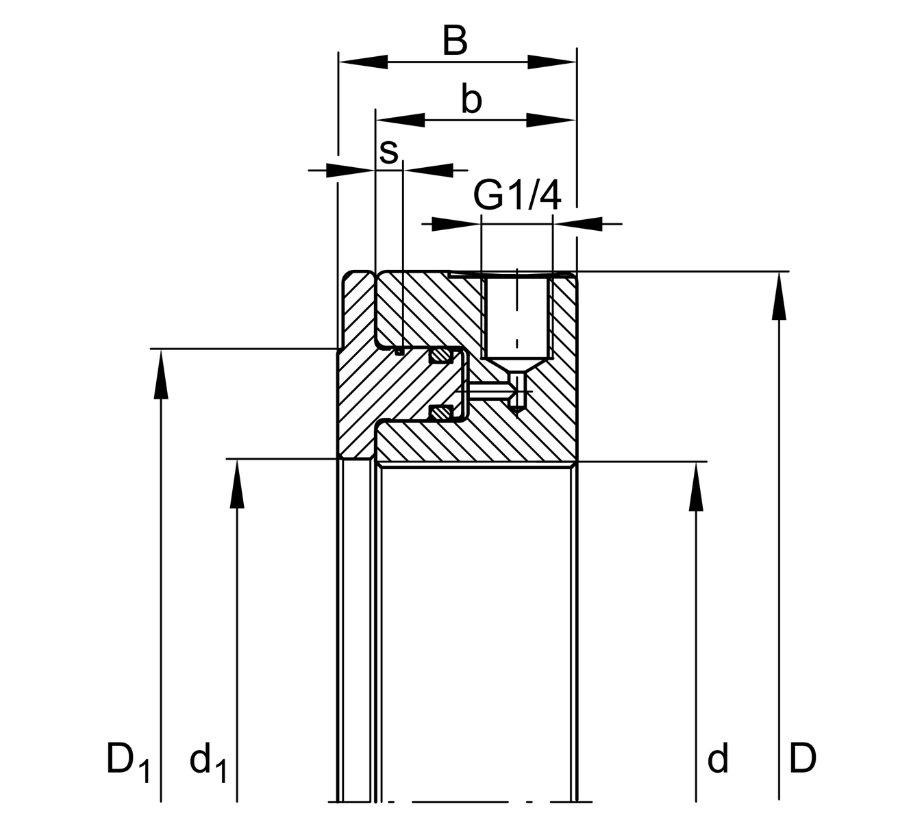
Technical data
d
Tr275x4
Thread
D
375 mm
Outer Diameter
B
56 mm
Width
b
46 mm
Width press ring
D1
337 mm
d1
277 mm
s
12 mm
Stroke, max.
203.8 cm²
Piston surface
500 bar
Pressure, max.
1,019 kN
Drive-up force, max.
≈m
22.6 kg
Weight

Additional information
1 pc. Hydraulic nut, 3 pcs. Clamping screws, 1 pc. Screw plug, 1 pc. Connection nipple, 3 pcs. to 5 pcs. Threaded pins, 1 pc. Hand lever, 1 pc. Replacement seal set, 1 pc. User manual
Scope of delivery

Your current product variant
SeriesEmetric fine pitch thread/trapezoid thread
Thêm vào yêu cầu báo giá