PRODUCTS

  • Home
  • Giới thiệu sản phẩm

INA
1100-XL-KTT-B-2C-L402/70-OSE
Radial insert ball bearing 1100-XL-KTT-B-2C-L402/70-OSE
Thêm vào yêu cầu báo giá
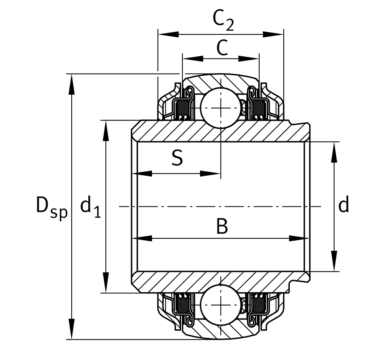
Main Dimensions & Performance Data
d
25.4 mm
Bore diameter
d
25.4 mm
Bore diameter, inch
DSP
52 mm
Outside diameter
B
34.9 mm
Width
Cr
14,000 N
Basic dynamic load rating, radial
C0r
7,800 N
Basic static load rating, radial
≈m
0.199 kg
Weight

Dimensions
C
15 mm
Width, outer ring
C2
24.6 mm
Sealing total width
S
17.5 mm
Distance raceway
d1
33.8 mm
Rib diameter inner ring

Temperature range
Tmin
-20 °C
Operating temperature min.
Tmax
100 °C
Operating temperature max.

Your current product variant
SealingKTTTriple lip seals on both sides
Shape of outer surfaceB
Flinger shields2CFlinger shield on both sides
LubricantL402/70L402/70
Without locking deviceOSEBearing without locking element
Thêm vào yêu cầu báo giá