PRODUCTS

  • Home
  • Giới thiệu sản phẩm

FAG
20230-MB-C3
Barrel roller bearing 20230-MB-C3
Thêm vào yêu cầu báo giá
Main Dimensions & Performance Data
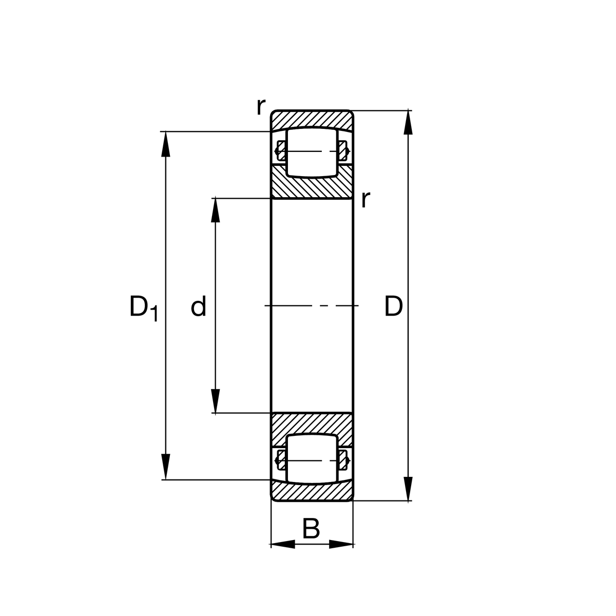
d
150 mm
Bore diameter
D
270 mm
Outside diameter
B
45 mm
Width
Cr
430,000 N
Basic dynamic load rating, radial
C0r
610,000 N
Basic static load rating, radial
Cur
56,000 N
Fatigue load limit, radial
nG
2,850 1/min
Limiting speed
≈m
11.6 kg
Weight

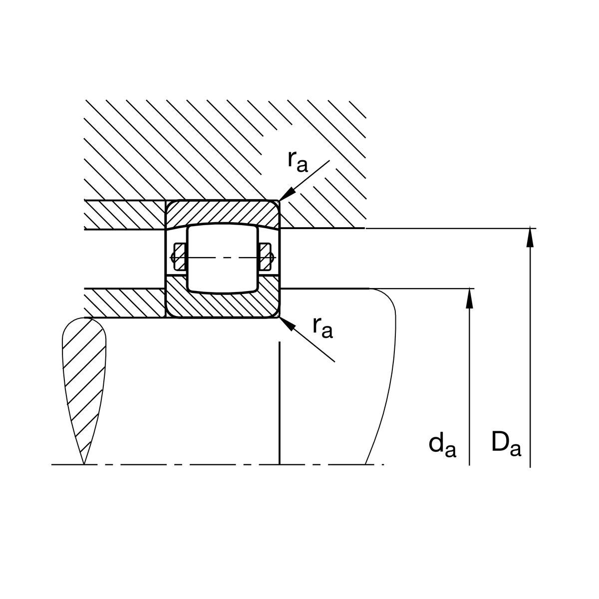
Mounting dimensions
da min
164 mm
Minimum diameter shaft shoulder
Da max
256 mm
Maximum diameter of housing shoulder
ra max
2.5 mm
Maximum recess radius

Dimensions
rmin
3 mm
Minimum chamfer dimension
D1
238.6 mm
Bore diameter outer ring

Temperature range
Tmin
-30 °C
Operating temperature min.
Tmax
200 °C
Operating temperature max.

Your current product variant
Bore typeZCylindrical
CageMBSolid brass cage
Radial internal clearanceC3 (Group 3)Internal clearance larger than CN
Thêm vào yêu cầu báo giá