PRODUCTS

  • Home
  • Giới thiệu sản phẩm

INA
SL185028-A-BR-C3-2S
Cylindrical roller bearing SL185028-A-BR-C3-2S
Thêm vào yêu cầu báo giá
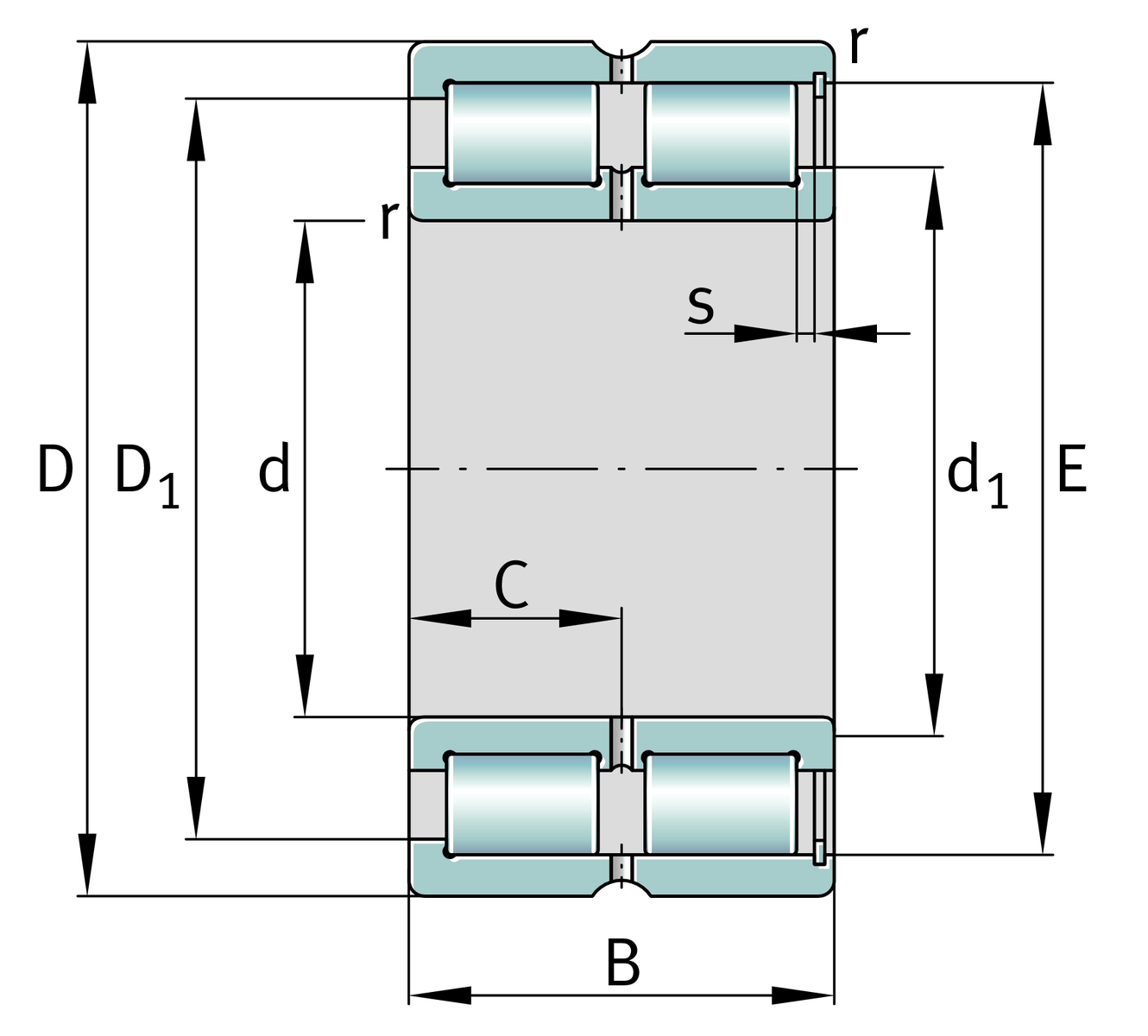
Main Dimensions & Performance Data
d
140 mm
Bore diameter
D
210 mm
Outside diameter
B
95 mm
Width
Cr
770,000 N
Basic dynamic load rating, radial
C0r
1,330,000 N
Basic static load rating, radial
Cur
180,000 N
Fatigue load limit, radial
nG
1,820 1/min
Limiting speed
nϑr
1,180 1/min
Reference speed
≈m
10.68 kg
Weight

Mounting dimensions
dc min
162.5 mm
Minimum shaft shoulder
da min
162.6 mm
Minimum diameter shaft shoulder
Da max
189.5 mm
Maximum diameter of housing shoulder
ra max
2 mm
Maximum recess radius
ra1 max
2 mm
Maximum recess radius
De min
189.5 mm
Minimum diameter of housing shoulder

Dimensions
rmin
2 mm
Minimum chamfer dimension
r1 min
2 mm
Minimum chamfer dimension
s
5 mm
Axial displacement
C
47.5 mm
Distance to lubrication hole
d1
162.6 mm
Maximum rib diameter inner ring
D1 min
189.5 mm
Minimum rib diameter outer ring
E
198.4 mm
Raceway diameter outer ring

Temperature range
Tmin
-30 °C
Operating temperature min.
Tmax
120 °C
Operating temperature max.

Your current product variant
DesignAInternal Variant A
Radial internal clearanceC3 (Group 3)Internal clearance larger than CN
Tolerance classPNNormal (PN)
Number of rolling element rows2Double-row design
Thêm vào yêu cầu báo giá