PRODUCTS

  • Home
  • Giới thiệu sản phẩm

Schaeffler
HYDNUT140-E-INCH
Hydraulic nut HYDNUT140-E-INCH
Thêm vào yêu cầu báo giá
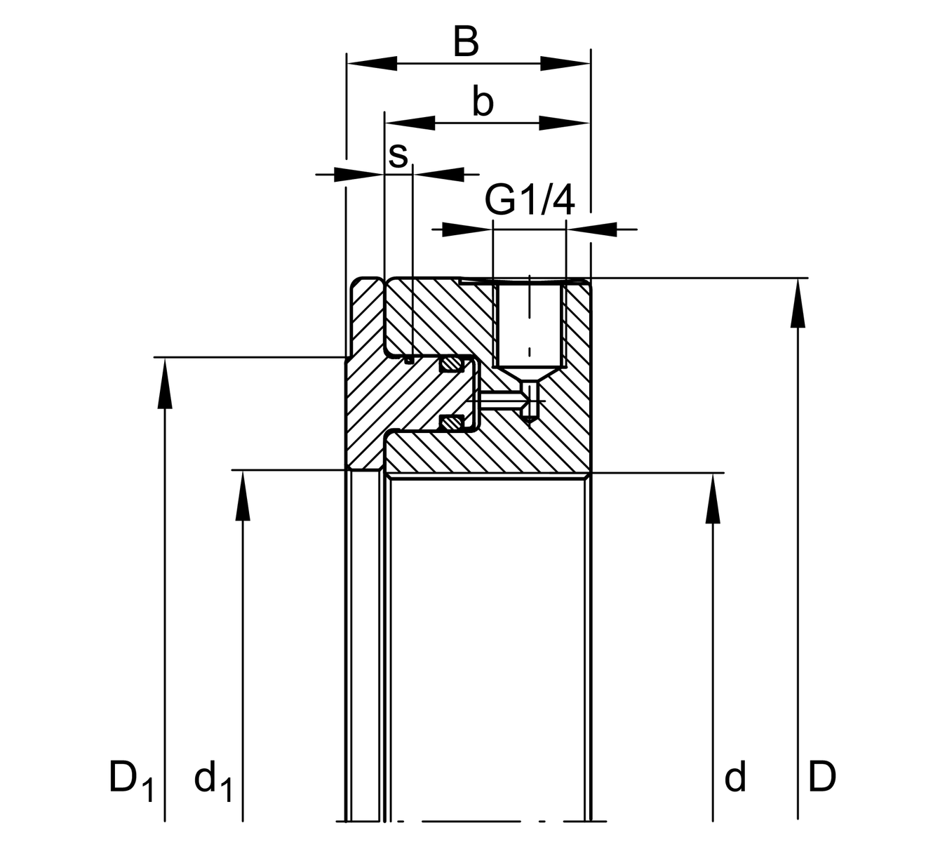
Technical data
d
139.642 mm
Thread nominal diameter
138.25 mm
Thread flank diameter
UN
Thread type
12
Number of thread convolutions per inch
D
210 mm
Outer Diameter
B
44 mm
Width
b
37 mm
Width press ring
D1
182 mm
d1
141 mm
s
5 mm
Stroke, max.
69 cm²
Piston surface
600 bar
Pressure, max.
414 kN
Drive-up force, max.
≈m
6.7 kg
Weight

Additional information
1 pc. Hydraulic nut, 3 pcs. Clamping screws, 1 pc. Screw plug, 1 pc. Connection nipple, 3 pcs. to 5 pcs. Threaded pins, 1 pc. Hand lever, 1 pc. Replacement seal set, 1 pc. User manual
Scope of delivery

Your current product variant
SeriesE-INCHinch thread by UN/ACME standard
Thêm vào yêu cầu báo giá