PRODUCTS

  • Home
  • Giới thiệu sản phẩm

INA
CSCB040
Deep groove ball bearing CSCB040
Thêm vào yêu cầu báo giá
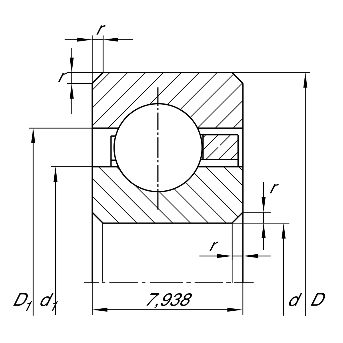
Main Dimensions & Performance Data
d
101.6 mm
Bore diameter
D
117.475 mm
Outside diameter
B
7.938 mm
Width
Cr
6,100 N
Basic dynamic load rating, radial
C0r
6,900 N
Basic static load rating, radial
nG
5,300 1/min
Limiting speed
≈m
130 g
Weight

Dimensions
rmin
1 mm
Minimum chamfer dimension
d1
107.5 mm
Shoulder diameter inner ring
D1
111.6 mm
Shoulder diameter outer ring

Temperature range
Tmin
-30 °C
Operating temperature min.
Tmax
120 °C
Operating temperature max.

Your current product variant
Logistical codeHLE-
SealingWithoutNot sealed
CageYHbrass sheet metal
Tolerance classPL1Class PL1, Normal
Radial internal clearancePL1Class PL1, Normal
LubricantWithoutBearing not greased
Thêm vào yêu cầu báo giá