PRODUCTS

  • Home
  • Giới thiệu sản phẩm

Schaeffler
HYDNUT1080-E
Hydraulic nut HYDNUT1080-E
Thêm vào yêu cầu báo giá
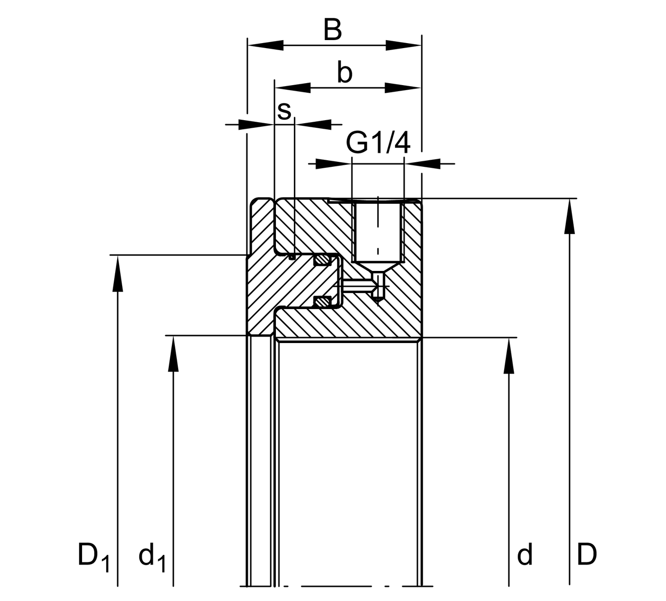
Technical data
d
Tr1080x8
Thread
D
1,280 mm
Outer Diameter
B
107 mm
Width
b
89 mm
Width press ring
D1
1,207 mm
d1
1,083 mm
s
33 mm
Stroke, max.
1,677.8 cm²
Piston surface
300 bar
Pressure, max.
5,033 kN
Drive-up force, max.
≈m
314.1 kg
Weight

Additional information
1 pc. Hydraulic nut, 3 pcs. Clamping screws, 1 pc. Screw plug, 1 pc. Connection nipple, 3 pcs. to 5 pcs. Threaded pins, 1 pc. Hand lever, 1 pc. Replacement seal set, 1 pc. User manual
Scope of delivery

Your current product variant
SeriesEmetric fine pitch thread/trapezoid thread
Thêm vào yêu cầu báo giá