PRODUCTS

  • Home
  • Giới thiệu sản phẩm

INA
CRB25/70-XL
Radial insert ball bearing CRB25/70-XL
Thêm vào yêu cầu báo giá
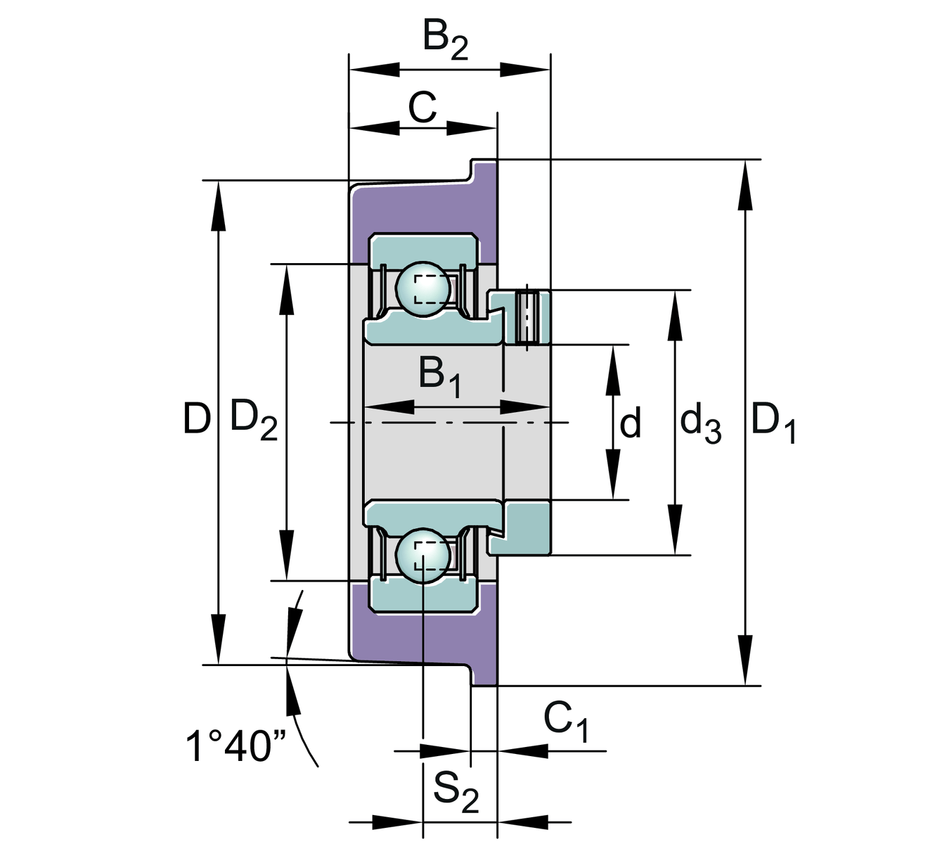
Main Dimensions & Performance Data
d
25 mm
Bore diameter
D
71.5 mm
Outside diameter
C
25 mm
Width, outer ring
B2
36 mm
Width total
B1
31 mm
Locking collar total width
Cr
14,000 N
Basic dynamic load rating, radial
C0r
7,800 N
Basic static load rating, radial
Cur
370 N
Fatigue load limit, radial
1,000 N
Load carrying capacity (rubber interliner)
≈m
0.26 kg
Weight

Dimensions
D1
76 mm
Flange diameter
C1
5 mm
Thickness of flange
D2
46 mm
Flange diameter rubber interliner
d3
37.5 mm
Outside diameter locking collar/locknut
S2
12.5 mm
Distance raceway to rubber interliner flange side

Calculation factors
f0
13.8
Calculation factor

Additional information
RAE25-XL-NPP
Bearing designation
Shore A
80 °
Hardness rubber interliner
Thêm vào yêu cầu báo giá