PRODUCTS

  • Home
  • Giới thiệu sản phẩm

FAG
2220-K-M
Self-aligning ball bearing 2220-K-M
Thêm vào yêu cầu báo giá
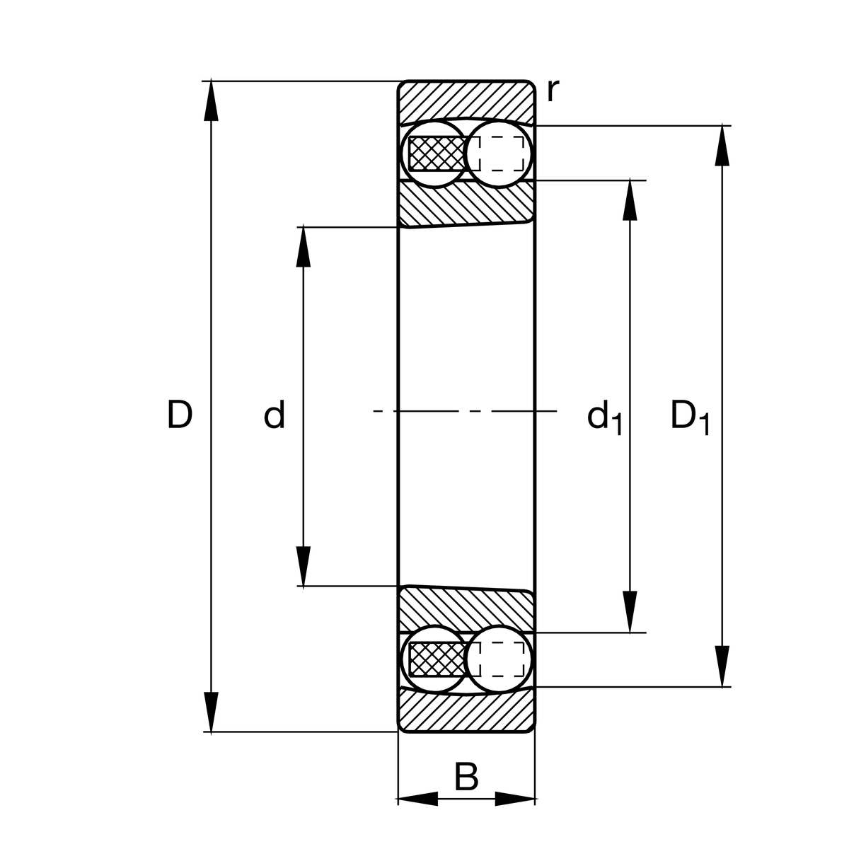
Main Dimensions & Performance Data
d
100 mm
Bore diameter
D
180 mm
Outside diameter
B
46 mm
Width
Cr
98,000 N
Basic dynamic load rating, radial
C0r
40,500 N
Basic static load rating, radial
Cur
2,180 N
Fatigue load limit, radial
nG
5,700 1/min
Limiting speed
nϑr
4,900 1/min
Reference speed
≈m
4.94 kg
Weight

Mounting dimensions
da min
112 mm
Minimum diameter shaft shoulder
da max
120 mm
Maximum diameter shaft shoulder
Da max
168 mm
Maximum diameter of housing shoulder
db min
108 mm
Minimum cavity diameter of the sleeve
Ba min
8 mm
Minimum cavity width of the sleeve
ra max
2.1 mm
Maximum fillet radius

Dimensions
rmin
2.1 mm
Minimum chamfer dimension
D1
156.85 mm
Shoulder diameter outer ring
d1
124.36 mm
Shoulder diameter inner ring

Temperature range
Tmin
-30 °C
Operating temperature min.
Tmax
150 °C
Operating temperature max.

Calculation factors
e
0.27
Limiting value of Fa/Fr for the applicability of diff. Values of factors X and Y
Y1
2.33
Dynamic axial load factor
Y2
3.61
Dynamic axial load factor
Y0
2.45
Static axial load factor

Additional information
H320
Adapter sleeve

Your current product variant
Bore typeKTapered, taper 1:12
SealingWithoutNot sealed
CageMsolid brass cage, ball guided
Tolerance classPNNormal (PN)
LubricantWithoutBearing not greased
Radial internal clearanceCN (Group N)Normal internal clearance
Thêm vào yêu cầu báo giá