PRODUCTS

  • Home
  • Giới thiệu sản phẩm

FAG
20220-MB
Barrel roller bearing 20220-MB
Thêm vào yêu cầu báo giá
Main Dimensions & Performance Data
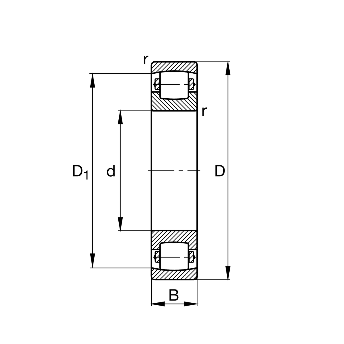
d
100 mm
Bore diameter
D
180 mm
Outside diameter
B
34 mm
Width
Cr
225,000 N
Basic dynamic load rating, radial
C0r
290,000 N
Basic static load rating, radial
Cur
28,500 N
Fatigue load limit, radial
nG
4,000 1/min
Limiting speed
≈m
3.916 kg
Weight

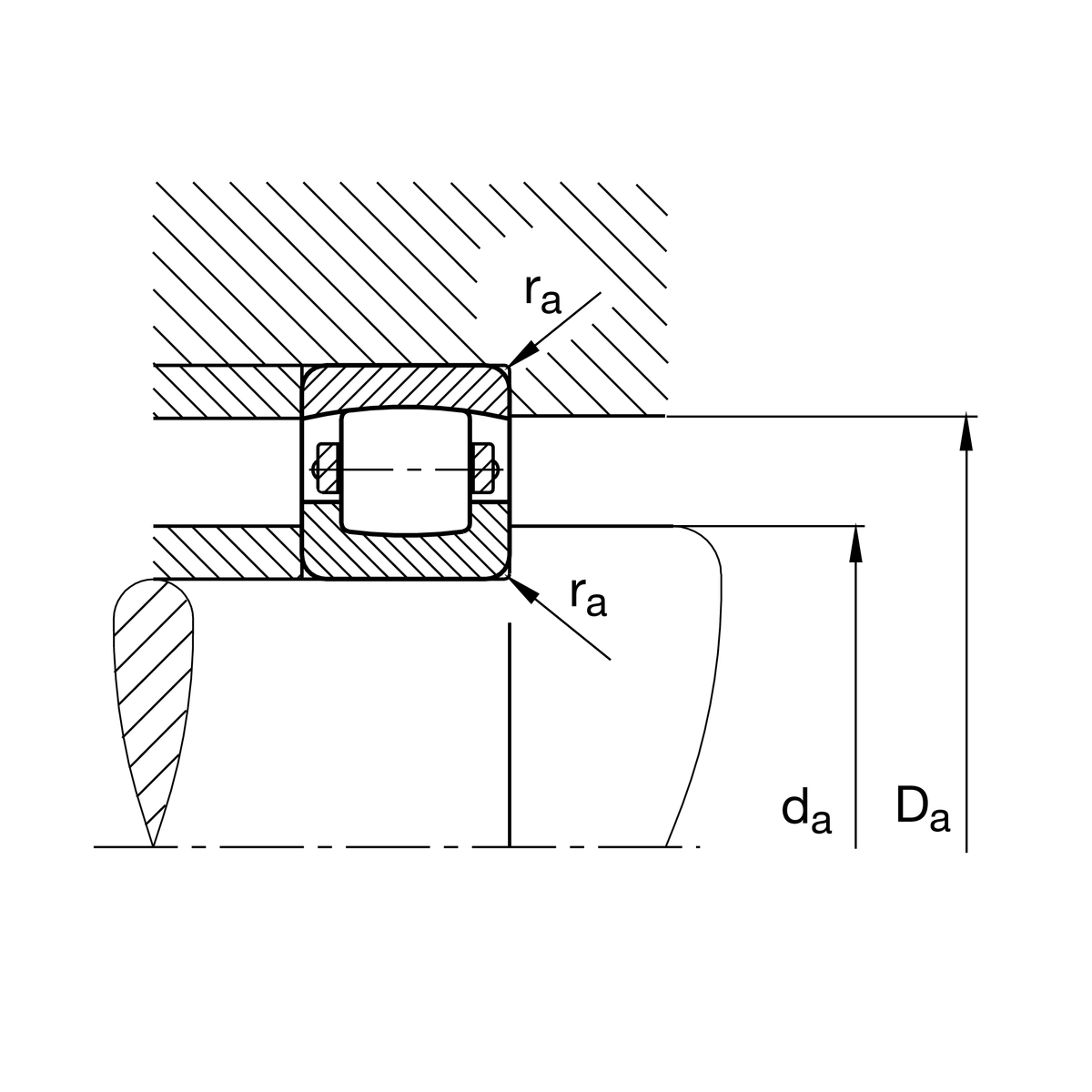
Mounting dimensions
da min
112 mm
Minimum diameter shaft shoulder
Da max
168 mm
Maximum diameter of housing shoulder
ra max
2.1 mm
Maximum recess radius

Dimensions
rmin
2.1 mm
Minimum chamfer dimension
D1
160.8 mm
Bore diameter outer ring

Temperature range
Tmin
-30 °C
Operating temperature min.
Tmax
200 °C
Operating temperature max.

Your current product variant
Bore typeZCylindrical
CageMBSolid brass cage
Radial internal clearanceCN (Group N)Normal internal clearance
Thêm vào yêu cầu báo giá