PRODUCTS
- Home
- Giới thiệu sản phẩm
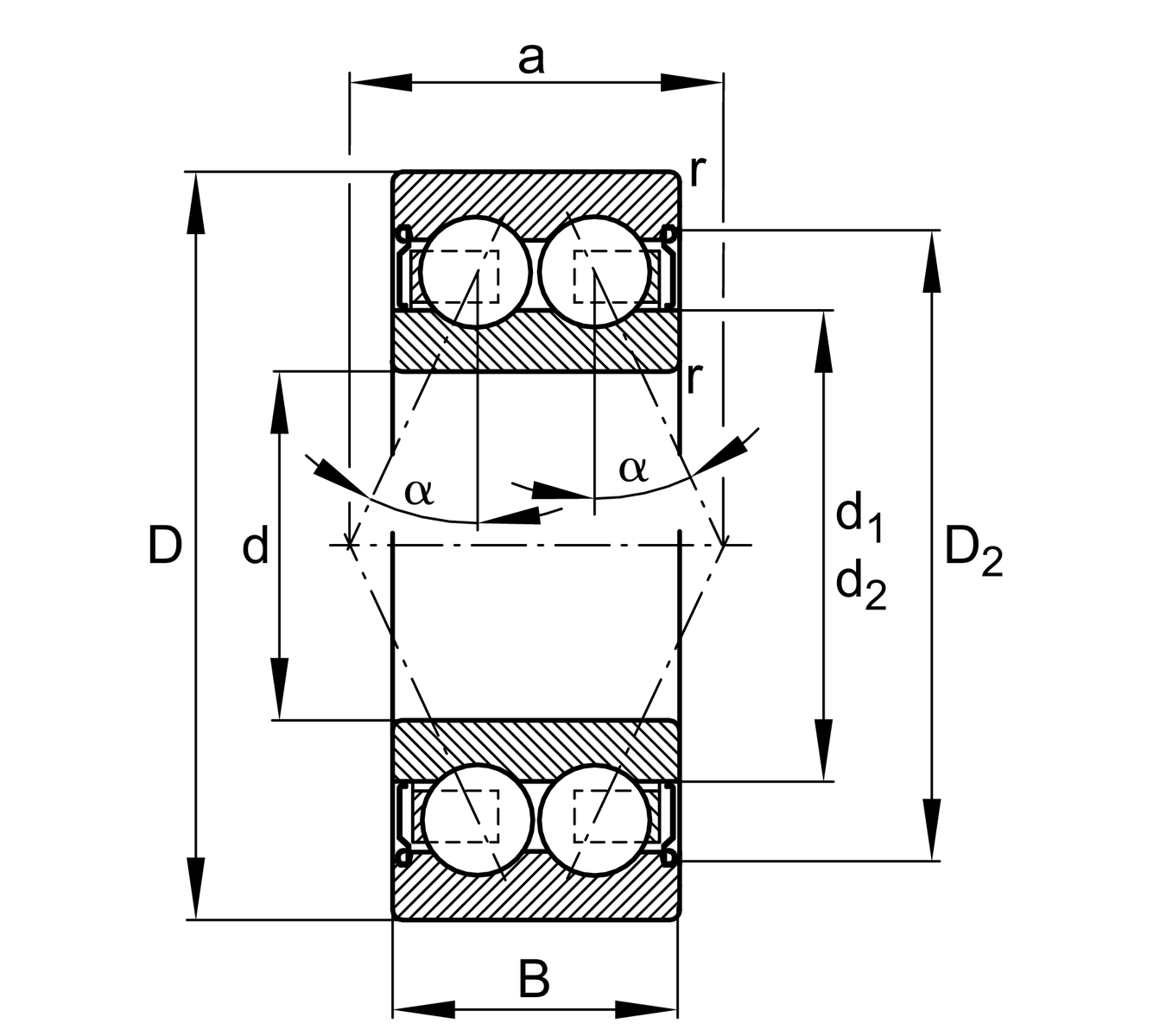
| d | 25 mm | Bore diameter |
| D | 47 mm | Outside diameter |
| B | 16 mm | Width |
| Cr | 15,200 N | Basic dynamic load rating, radial |
| C0r | 10,900 N | Basic static load rating, radial |
| Cur | 570 N | Fatigue load limit, radial |
| nG | 11,900 1/min | Limiting speed |
| nϑr | 11,100 1/min | Reference speed |
| ≈m | 0.106 kg | Weight |
| da min | 28.2 mm | Minimum diameter shaft shoulder |
| Da max | 43.8 mm | Maximum diameter of housing shoulder |
| ra max | 0.6 mm | Maximum fillet radius |
| rmin | 0.6 mm | Minimum chamfer dimension |
| D1 | 40.06 mm | Shoulder diameter outer ring |
| D2 | 41.76 mm | Caliber diameter outer ring |
| d1 | 32.1 mm | Shoulder diameter inner ring |
| d2 | 30.3 mm | Caliber diamter inner ring |
| a | 23.4 mm | Distance between the apexes of the pressure cones |
| α | 25 ° | Contact angle |
| Tmin | -20 °C | Operating temperature min. |
| Tmax | 120 °C | Operating temperature max. |
| Design variant | B | Bearing without filling slot |
| Sealing | 2Z | Non-contact shield on both sides |
| Cage | TVH | solid cage made of glass-fiber reinforced polyamid PA66 |
| Tolerance class | PN | Normal (PN) |
| Dimensional / heat stabilization | SN | Rings dimensional stabilized up to 120° |
| Lubricant | GA14 | Ball bearing grease, low noise, standard for D<=62mm |
| Axial internal clearance | CN | Group N (CN) |