PRODUCTS

  • Home
  • Giới thiệu sản phẩm

FAG
20305-TVP
Barrel roller bearing 20305-TVP
Thêm vào yêu cầu báo giá
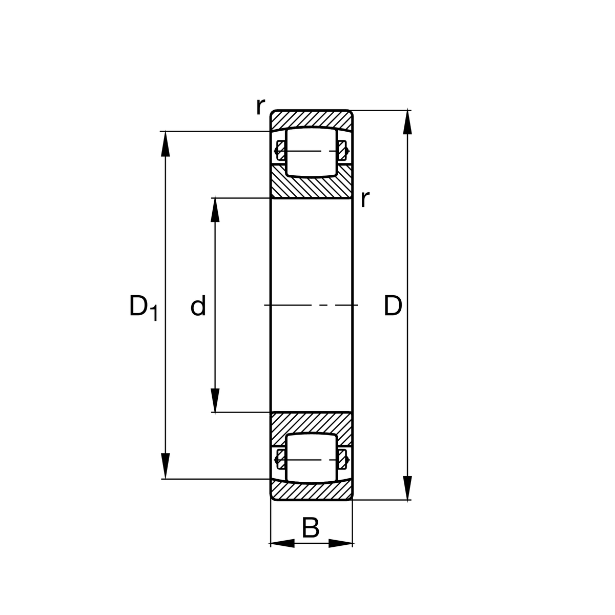
Main Dimensions & Performance Data
d
25 mm
Bore diameter
D
62 mm
Outside diameter
B
17 mm
Width
Cr
36,000 N
Basic dynamic load rating, radial
C0r
35,000 N
Basic static load rating, radial
Cur
3,050 N
Fatigue load limit, radial
nG
9,800 1/min
Limiting speed
≈m
250 g
Weight

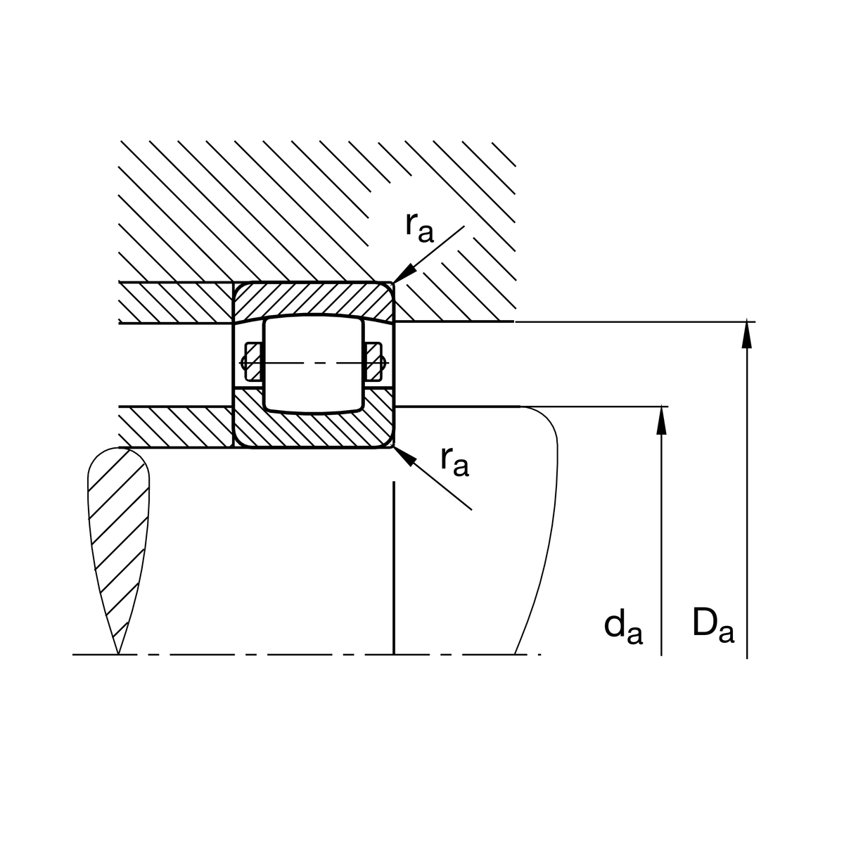
Mounting dimensions
da min
32 mm
Minimum diameter shaft shoulder
Da max
55 mm
Maximum diameter of housing shoulder
ra max
1 mm
Maximum recess radius

Dimensions
rmin
1.1 mm
Minimum chamfer dimension
D1
51.9 mm
Bore diameter outer ring

Temperature range
Tmin
-30 °C
Operating temperature min.
Tmax
120 °C
Operating temperature max.

Your current product variant
Bore typeZCylindrical
CageTVPPlastic cage
Radial internal clearanceCN (Group N)Normal internal clearance
Thêm vào yêu cầu báo giá