PRODUCTS

  • Home
  • Giới thiệu sản phẩm

FAG
1305-TVH-C3
Self-aligning ball bearing 1305-TVH-C3
Thêm vào yêu cầu báo giá
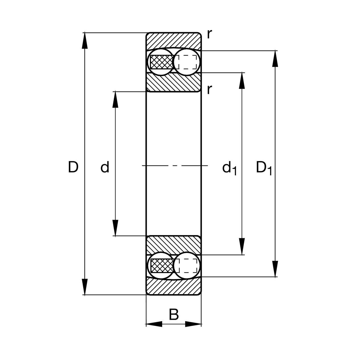
Main Dimensions & Performance Data
d
25 mm
Bore diameter
D
62 mm
Outside diameter
B
17 mm
Width
Cr
18,300 N
Basic dynamic load rating, radial
C0r
5,000 N
Basic static load rating, radial
Cur
320 N
Fatigue load limit, radial
nG
12,900 1/min
Limiting speed
nϑr
10,000 1/min
Reference speed
≈m
0.258 kg
Weight

Mounting dimensions
da min
32 mm
Minimum diameter shaft shoulder
Da max
55 mm
Maximum diameter of housing shoulder
ra max
1 mm
Maximum fillet radius

Dimensions
rmin
1.1 mm
Minimum chamfer dimension
D1
50.42 mm
Shoulder diameter outer ring
d1
38.1 mm
Shoulder diameter inner ring

Temperature range
Tmin
-30 °C
Operating temperature min.
Tmax
120 °C
Operating temperature max.

Calculation factors
e
0.28
Limiting value of Fa/Fr for the applicability of diff. Values of factors X and Y
Y1
2.29
Dynamic axial load factor
Y2
3.54
Dynamic axial load factor
Y0
2.4
Static axial load factor

Your current product variant
Bore typeZCylindrical
SealingWithoutNot sealed
CageTVHsolid cage made of glass-fiber reinforced polyamid PA66
Tolerance classPNNormal (PN)
LubricantWithoutBearing not greased
Radial internal clearanceC3 (Group 3)Internal clearance larger than CN
Thêm vào yêu cầu báo giá