PRODUCTS

  • Home
  • Giới thiệu sản phẩm

FAG
1205-TVH>N
Self-aligning ball bearing 1205-TVH>N
Thêm vào yêu cầu báo giá
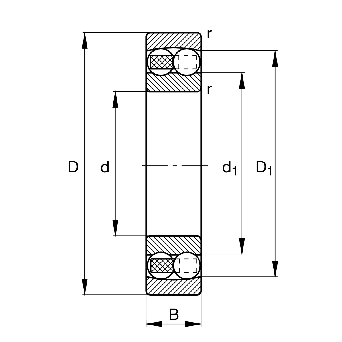
Main Dimensions & Performance Data
d
25 mm
Bore diameter
D
52 mm
Outside diameter
B
15 mm
Width
Cr
12,300 N
Basic dynamic load rating, radial
C0r
3,300 N
Basic static load rating, radial
Cur
209 N
Fatigue load limit, radial
nG
15,500 1/min
Limiting speed
nϑr
13,400 1/min
Reference speed
≈m
0.138 kg
Weight

Mounting dimensions
da min
30.6 mm
Minimum diameter shaft shoulder
Da max
46.4 mm
Maximum diameter of housing shoulder
ra max
1 mm
Maximum fillet radius

Dimensions
rmin
1 mm
Minimum chamfer dimension
D1
43.6 mm
Shoulder diameter outer ring
d1
33.3 mm
Shoulder diameter inner ring

Temperature range
Tmin
-30 °C
Operating temperature min.
Tmax
120 °C
Operating temperature max.

Calculation factors
e
0.27
Limiting value of Fa/Fr for the applicability of diff. Values of factors X and Y
Y1
2.36
Dynamic axial load factor
Y2
3.65
Dynamic axial load factor
Y0
2.47
Static axial load factor

Your current product variant
Version code>NNot marked on bearing
Bore typeZCylindrical
SealingWithoutNot sealed
CageTVHsolid cage made of glass-fiber reinforced polyamid PA66
Tolerance classPNNormal (PN)
LubricantWithoutBearing not greased
Radial internal clearanceCN (Group N)Normal internal clearance
Thêm vào yêu cầu báo giá