PRODUCTS

  • Home
  • Giới thiệu sản phẩm

FAG
UCFL205-15
Flanged housing unit UCFL205-15
Thêm vào yêu cầu báo giá
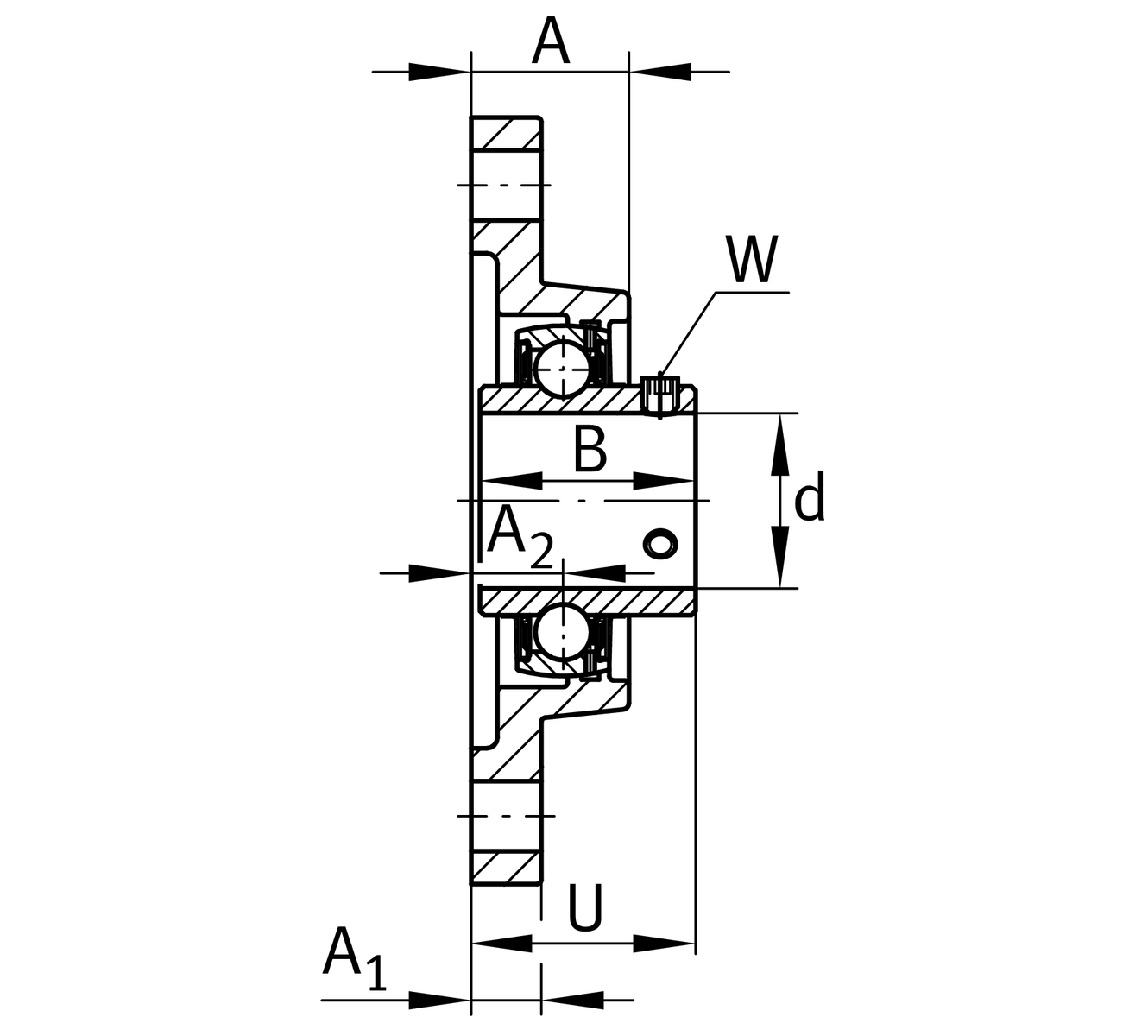
Main Dimensions & Performance Data
d
23.812 mm
Bore diameter
L
68 mm
Flange width
H
130 mm
Height flange
U
35.8 mm
Total height unit
Cr
14,000 N
Basic dynamic load rating, radial
C0r
7,800 N
Basic static load rating, radial
Cur
335 N
Fatigue load limit, radial
≈m
0.65 kg
Weight

Mounting dimensions
J
99 mm
Distance fixing bore
N
16 mm
Fixing bore
n
2
Number of screwing holes

Dimensions
A
27 mm
Height housing
A1
15 mm
Thickness of flange
A2
16 mm
Distance raceway
B
34.1 mm
Width
Q
M6
Connection thread for lubrication

Additional information
1
Number of housings
FL205
Housing
UC205-15
Bearing designation

Temperature range
Tmin
-20 °C
Operating temperature min.
Tmax
120 °C
Operating temperature max.

Your current product variant
MaterialGGGrey cast iron
Thêm vào yêu cầu báo giá