PRODUCTS

  • Home
  • Giới thiệu sản phẩm

FAG
UCFA205-14
Take-up housing unit UCFA205-14
Thêm vào yêu cầu báo giá
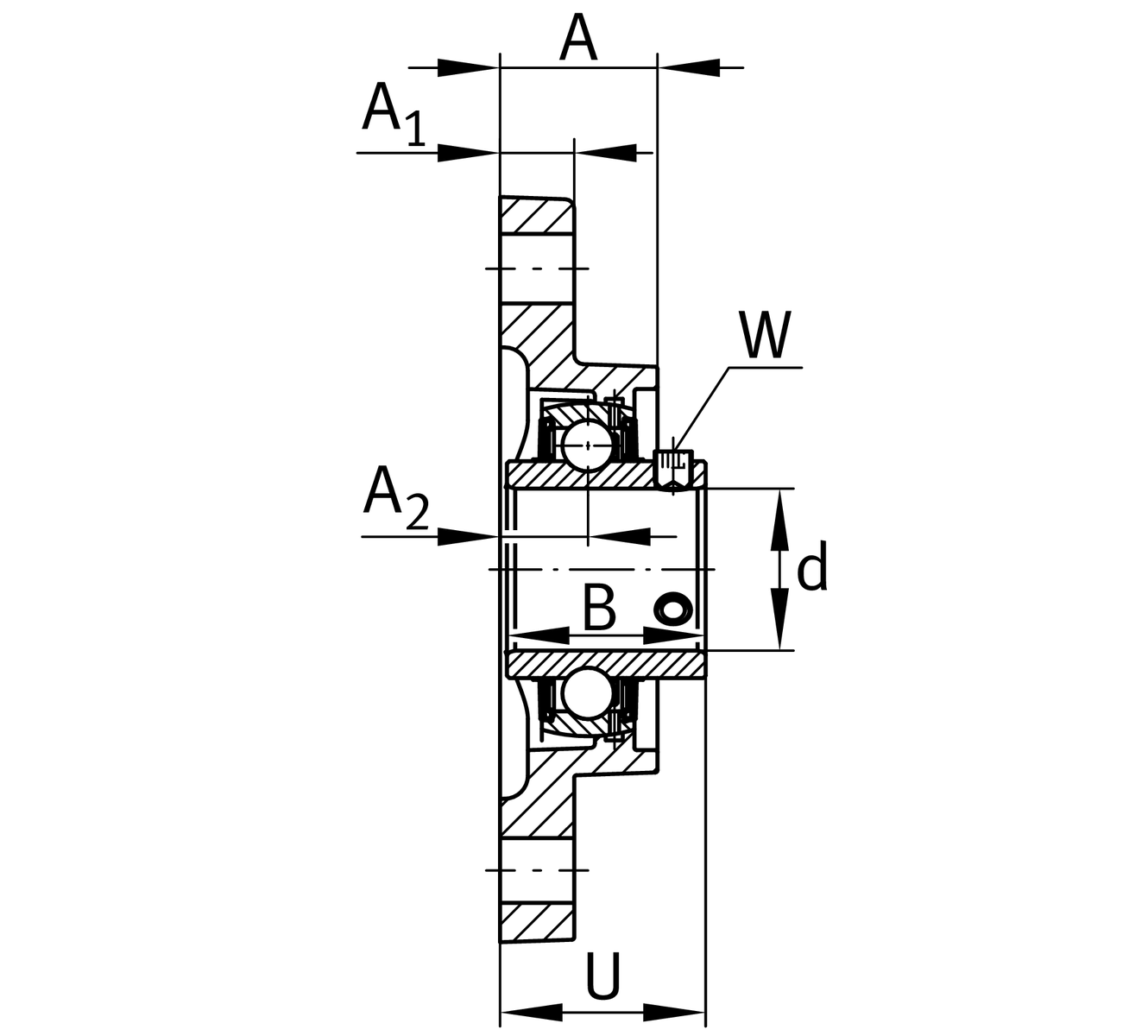
Main Dimensions & Performance Data
d
22.23 mm
Bore diameter
L
125 mm
Length total
U
35.8 mm
Total height unit
≈m
0.65 kg
Weight

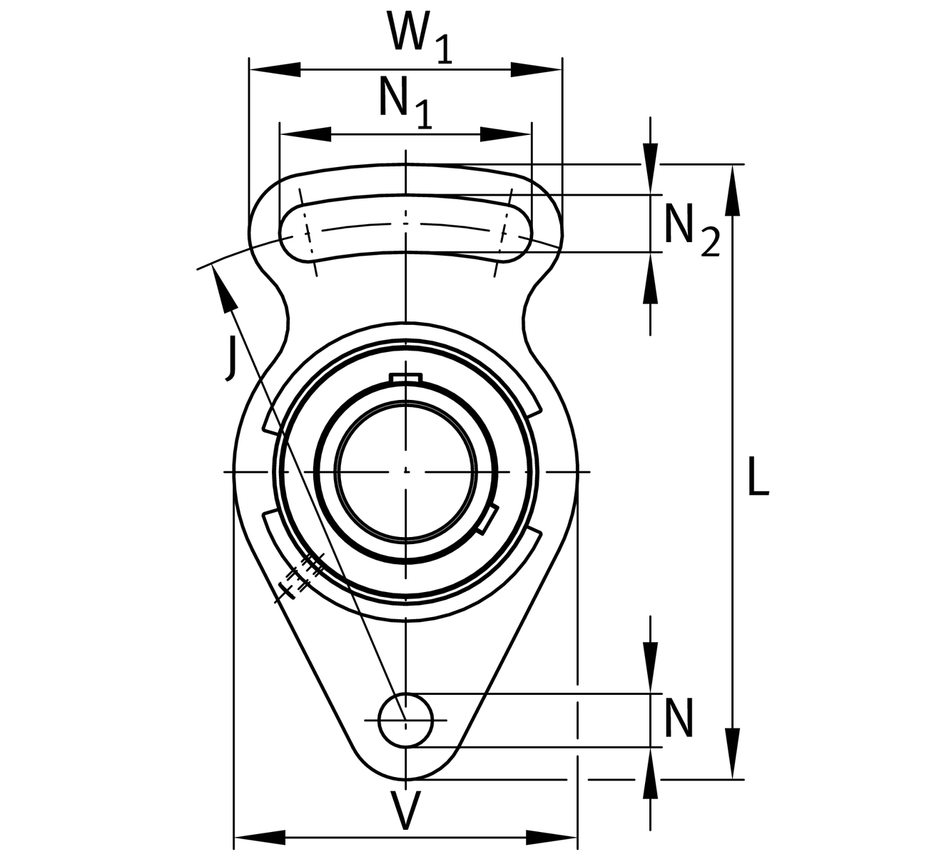
Mounting dimensions
N
12 mm
Fixing bore
N1
51 mm
Length (slot)
N2
12 mm
Width (slot)
J
98 mm
Distance fixing bore

Dimensions
A1
14 mm
Thickness of flange
A2
16 mm
Distance raceway
A
27 mm
Height housing
V
68 mm
Shoulder diameter housing
W
66 mm
Width housing slot side
Q
M6
Connection thread for lubrication

Additional information
FA205
Housing
UC205-14
Bearing designation

Temperature range
Tmin
-20 °C
Operating temperature min.
Tmax
120 °C
Operating temperature max.

Your current product variant
MaterialGGGrey cast iron
Thêm vào yêu cầu báo giá