PRODUCTS

  • Home
  • Giới thiệu sản phẩm

INA
ZKLF2068-2RS-2AP-XL
Axial angular contact ball bearing ZKLF2068-2RS-2AP-XL
Thêm vào yêu cầu báo giá
Main Dimensions & Performance Data
d
20 mm
Bore diameter
0 mm
Bore diameter upper tolerance
-0.005 mm
Bore diameter lower tolerance
D
68 mm
Outside diameter
0 mm
Outside diameter upper tolerance
-0.01 mm
Outside diameter lower tolerance
B
56 mm
Width
0 mm
Width upper tolerance
-0.25 mm
Width lower tolerance
Ca
46,000 N
Basic dynamic load rating, axial
C0a
94,000 N
Basic static load rating, axial
Cua
5,700 N
Fatigue load limit, axial
nG Grease
6,600 1/min
Limiting speed for grease lubrication
nϑ
3,000 1/min
Thermally safe operating speed
MR
0.45 Nm
Bearing frictional torque
≈m
1.14 kg
Weight

Mounting dimensions
Da max
43 mm
Maximum diameter of housing
da min
25 mm
Minimum diameter shaft
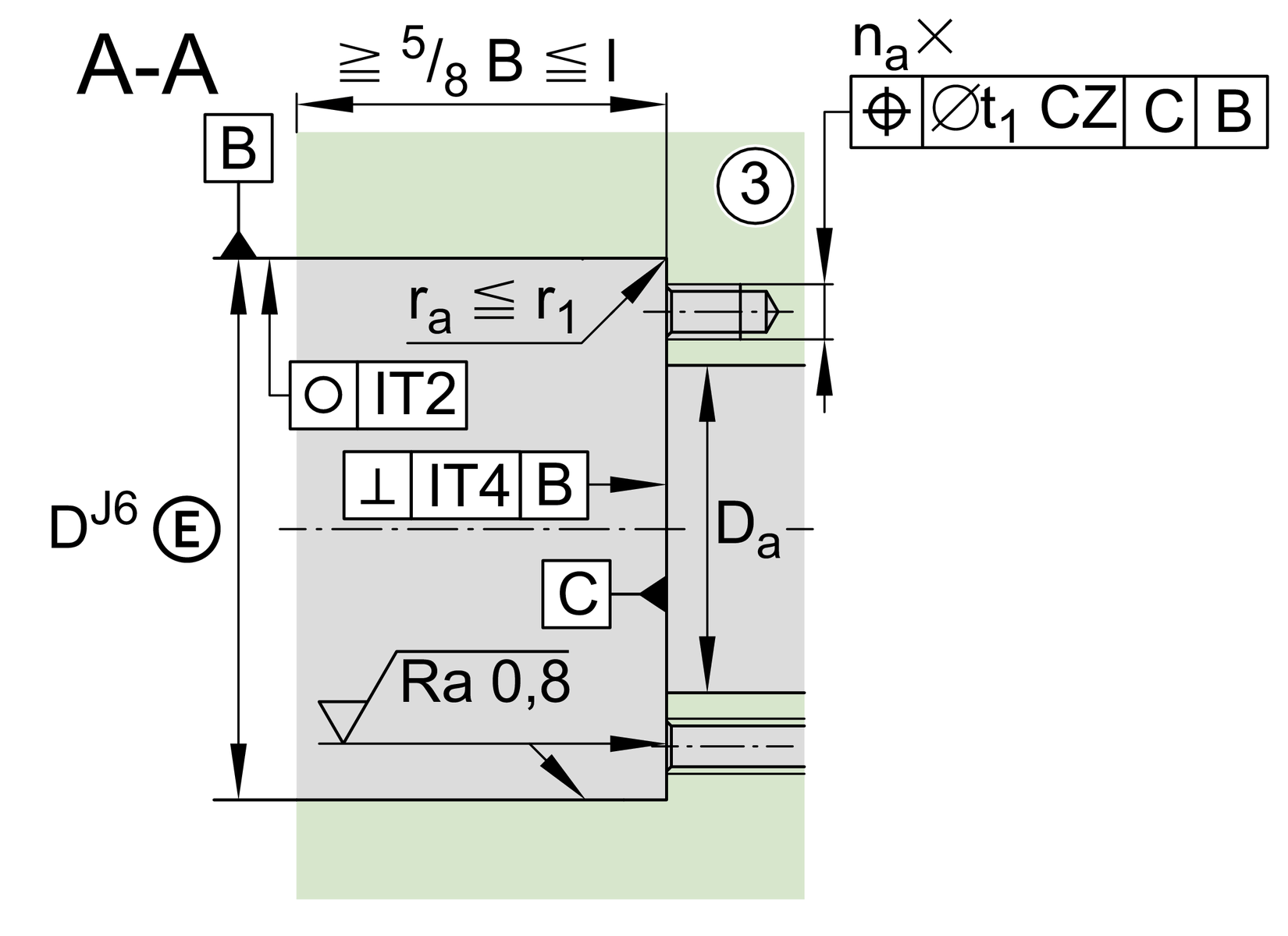
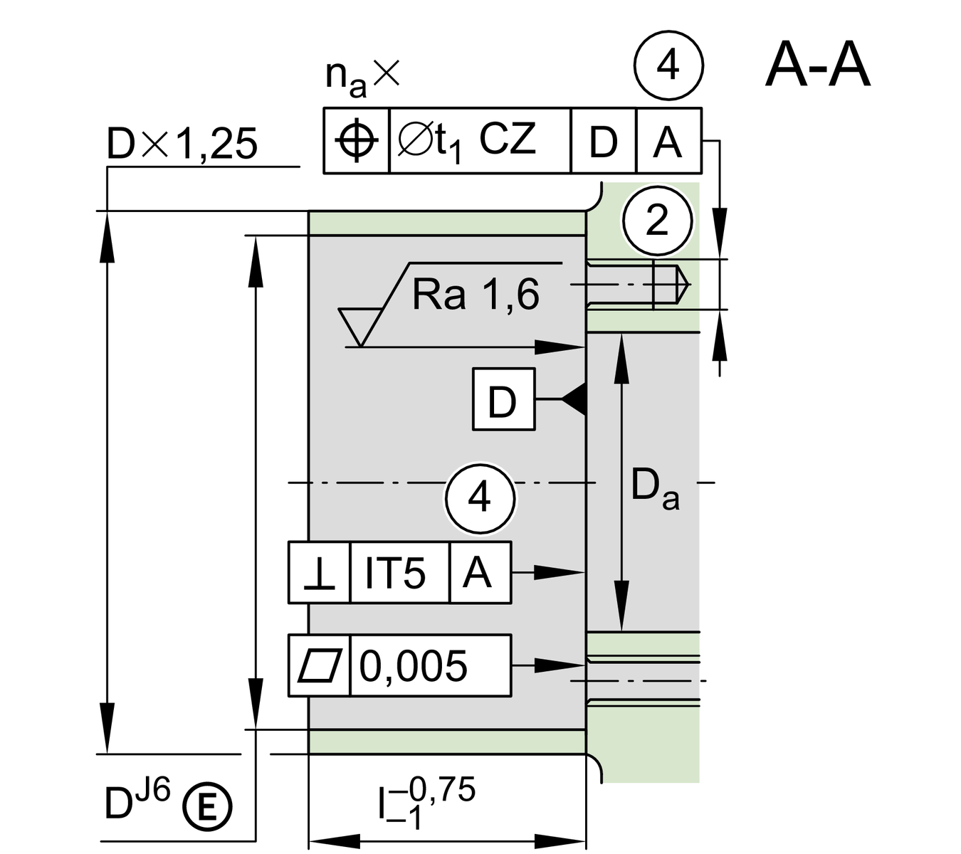
t1
0.1 mm
Position tolerance of bore in the housing
M6X70
Size of fixing screws
na
8
Number of holes in adjacent construction
ta
45 °
Pitch separation angle of holes in adjacent construction
M6
Connection thread for lubrication

Dimensions
d1
34.5 mm
Rib diameter inner ring
rmin
0.3 mm
Minimum chamfer dimension
r1 min
0.6 mm
Minimum chamfer dimension
J
53 mm
Pitch circle diameter fixing holes
d2
6.8 mm
Fixing holes diameter
b
3 mm
Width of extraction slot
I
47 mm
Distance of extraction slot
n
8
Pitch quantity of fixing holes
t
45 °
Pitch separation angle of fixing holes
a
60 °
Contact angle

Temperature range
Tmin
-30 °C
Operating temperature min.
Tmax
120 °C
Operating temperature max.

Additional information
caL
1,150 N/µm
Rigidity axial
ckL
320 Nm/mrad
Tilting rigidity
Mm
0.564 kg*cm2
Mass moment of inertia
2 µm
Axial runout
ZMA20/38
Recommended INA precision locknut for radial locking
AM20
Recommended INA precision locknut for axial locking
MA
18 Nm
Tightening torque for the recommended INA precision locknut
8,258 N
Required locknut force axial

Your current product variant
Number of bearings2APAxial angular contact ball bearings, matched pair
Sealing2RSContact lip seals on both sides
Tolerance classStandard
Thêm vào yêu cầu báo giá