PRODUCTS

  • Home
  • Giới thiệu sản phẩm

INA
ZARF2068-TV
Needle roller/axial cylindrical roller bearing ZARF2068-TV
Thêm vào yêu cầu báo giá
Main Dimensions & Performance Data
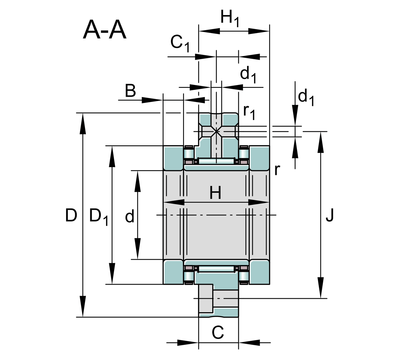
d
20 mm
Bore diameter
D
68 mm
Outside diameter
H
46 mm
Hight
Ca
33,500 N
Basic dynamic load rating, axial
C0a
76,000 N
Basic static load rating, axial
Cr
14,900 N
Basic dynamic load rating, radial
C0r
22,400 N
Basic static load rating, radial
Cua
6,400 N
Fatigue load limit, axial
Cur
3,400 N
Fatigue load limit, radial
nG Oil
7,000 1/min
Limiting speed for oil lubrication
nG Grease
2,000 1/min
Limiting speed for grease lubrication
MRL
0.5 Nm
Bearing friction torque
≈m
0.495 kg
Weight

Mounting dimensions
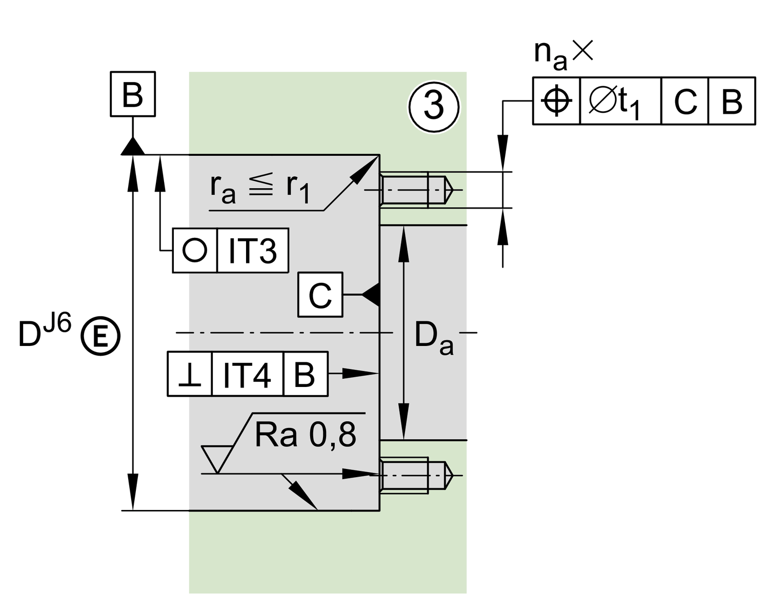
Da max
43 mm
Maximum diameter of housing shoulder
da min
33 mm
Minimum diameter shaft shoulder
t1
0.1 mm
Position bore in the housing

Dimensions
H1
29 mm
Height outer ring over wave washer
C
14 mm
Width, outer ring
C1
8 mm
Distance to lubrication hole
D1
42 mm
Rip diameter shaft washer
B
10 mm
Width, inner ring
rmin
0.3 mm
Minimum chamfer dimension
r1 min
0.6 mm
Minimum chamfer dimension
d1
3.2 mm
Diameter lubrication hole
J
53 mm
Pitch circle diameter (holes)
n
8
Number of screwing holes
n x t
45 °
Split

Temperature range
Tmin
-30 °C
Operating temperature min.
Tmax
120 °C
Operating temperature max.

Additional information
caL
1,800 N/µm
Rigidity axial
ckL
230 Nm/mrad
Tilting stiffness
Mm
0.615 kg*cm2
Mass moment of inertia
1 µm
Axial runout
radial
ZMA20/38
Recommended INA precision locknut for radial locking (not included)
axial
AM20
Recommended INA precision locknut for axial locking (not included)
MA
18 Nm
Tightening torque nut
8,972 N
Required locknut force
M6
Screw size
na
8
Number of screws
na x ta
45 °
Division (screwing holes)

Your current product variant
CageTVPlastic Cage made from PA66
Thêm vào yêu cầu báo giá