PRODUCTS

  • Home
  • Giới thiệu sản phẩm

INA
STO20
Yoke type track roller STO20
Thêm vào yêu cầu báo giá
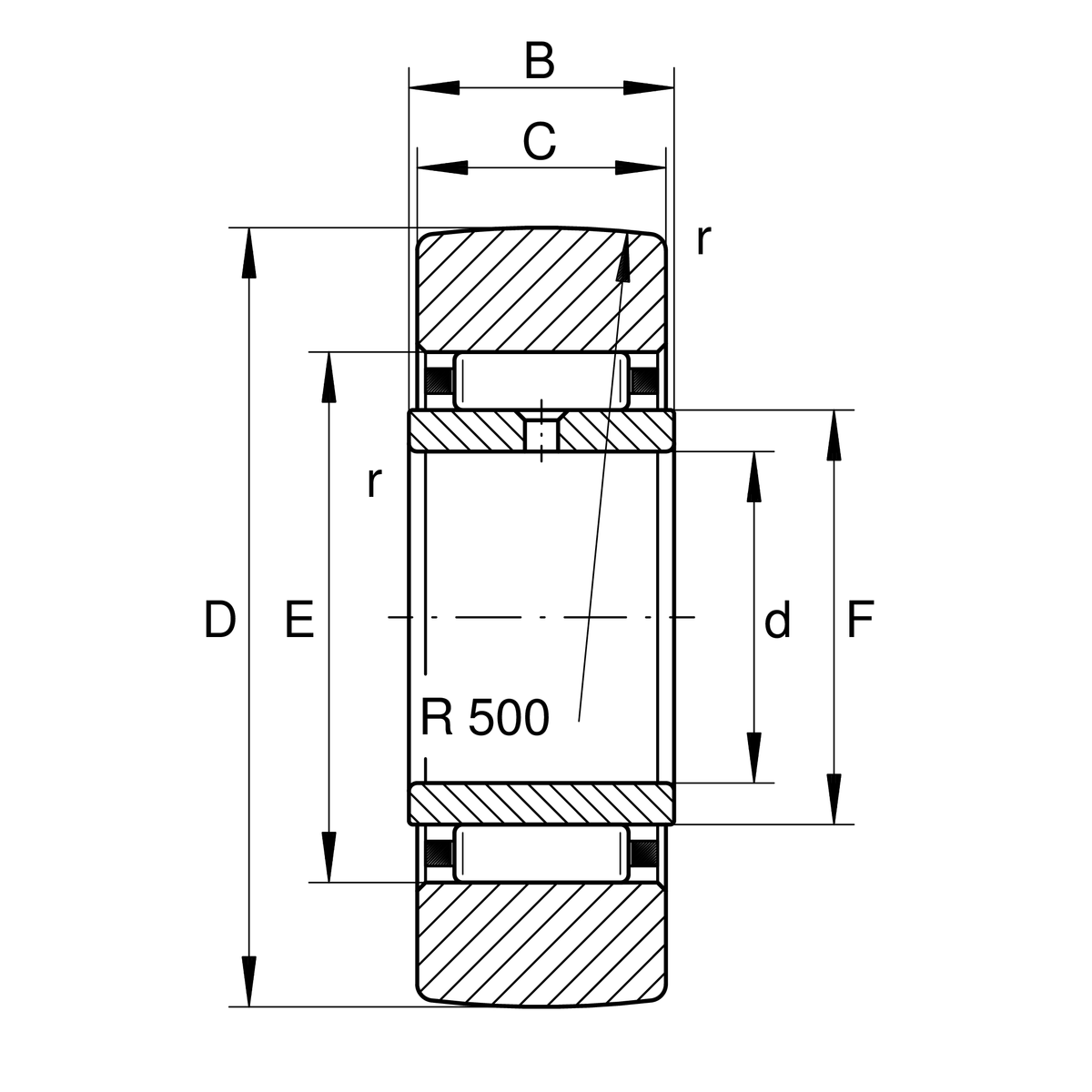
Main Dimensions & Performance Data
d
20 mm
Bore diameter
D
47 mm
Outside diameter
C
15.8 mm
Width, outer ring
Cr w
16,100 N
Basic dynamic load rating, radial
C0r w
22,000 N
Basic static load rating, radial
Cur w
3,100 N
Fatigue load limit, radial
nD G
2,400 1/min
Speed on permanent grease lubrication
≈m
0.158 kg
Weight

Dimensions
B
16 mm
Width, inner ring
E
32 mm
Raceway diameter outer ring
rmin
0.3 mm
Minimum chamfer dimension
F
25 mm
Raceway diameter inner ring
R
500 mm
Radius of outer ring outside profile

Your current product variant
SealingWithout
Outer Ring profileR500R500
Relubrication featureIRVia inner ring lubrication hole
Thêm vào yêu cầu báo giá