PRODUCTS

  • Home
  • Giới thiệu sản phẩm

INA
XU120179-RR
Slewing ring, Crossed roller bearing, without gear teeth XU120179-RR
Thêm vào yêu cầu báo giá
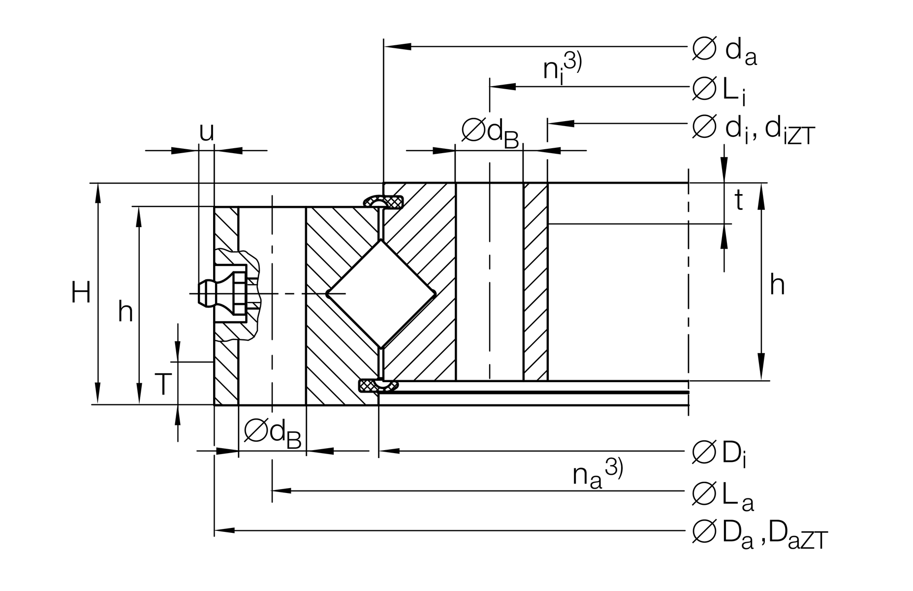
Main Dimensions & Performance Data
di
124.5 mm
Bore Diameter
0.5 mm
Bore diameter upper tolerance
-0.5 mm
Bore diameter lower tolerance
Da
234 mm
Outside Diameter
0.5 mm
Outside diameter upper tolerance
-0.5 mm
Outside diameter lower tolerance
H
35 mm
Height
≈m
6.5 kg
Weight

Dimensions
Di
180 mm
Inner diameter outer ring
0.2 mm
Inner diameter outer ring upper tolerance
-0.2 mm
Inner diameter outer ring lower tolerance
ha
30 mm
height outer ring
La
214 mm
Pitchcircle diameter fixing holes outer ring
na
12
Number of fixing holes in outer ring
da
178 mm
Outside diameter inner ring
0.2 mm
Outside diameter inner ring upper tolerance
-0.2 mm
Outside diameter inner ring lower tolerance
hi
30 mm
height of inner ring
dB
11 mm
Fixing bore
Li
144.5 mm
Pitchcircle diameter fixing holes inner ring
ni
12
Number of fixing holes in inner ring
umax
6 mm
Max. protrusion lubrication nipple
VSPmax
0.02 mm
Maximum bearing preload

Temperature range
Tmin
-30 °C
Operating temperature min.
Tmax
80 °C
Operating temperature max.

Calculation factors
Ca
105,000 N
Basic dynamic load rating, axial
Cr
75,000 N
Basic dynamic load rating, radial (for radial load only)
C0a
194,000 N
Basic static load rating, axial
C0r
95,000 N
Basic static load rating, radial (for radial load only)
Fr zu.
33,600 N
Max. radial load screws

Your current product variant
CoatingRRProtected against corrosion by Corrotect special coating
Thêm vào yêu cầu báo giá