PRODUCTS

  • Home
  • Giới thiệu sản phẩm

INA
81118-TV
Axial cylindrical roller bearing 81118-TV
Thêm vào yêu cầu báo giá
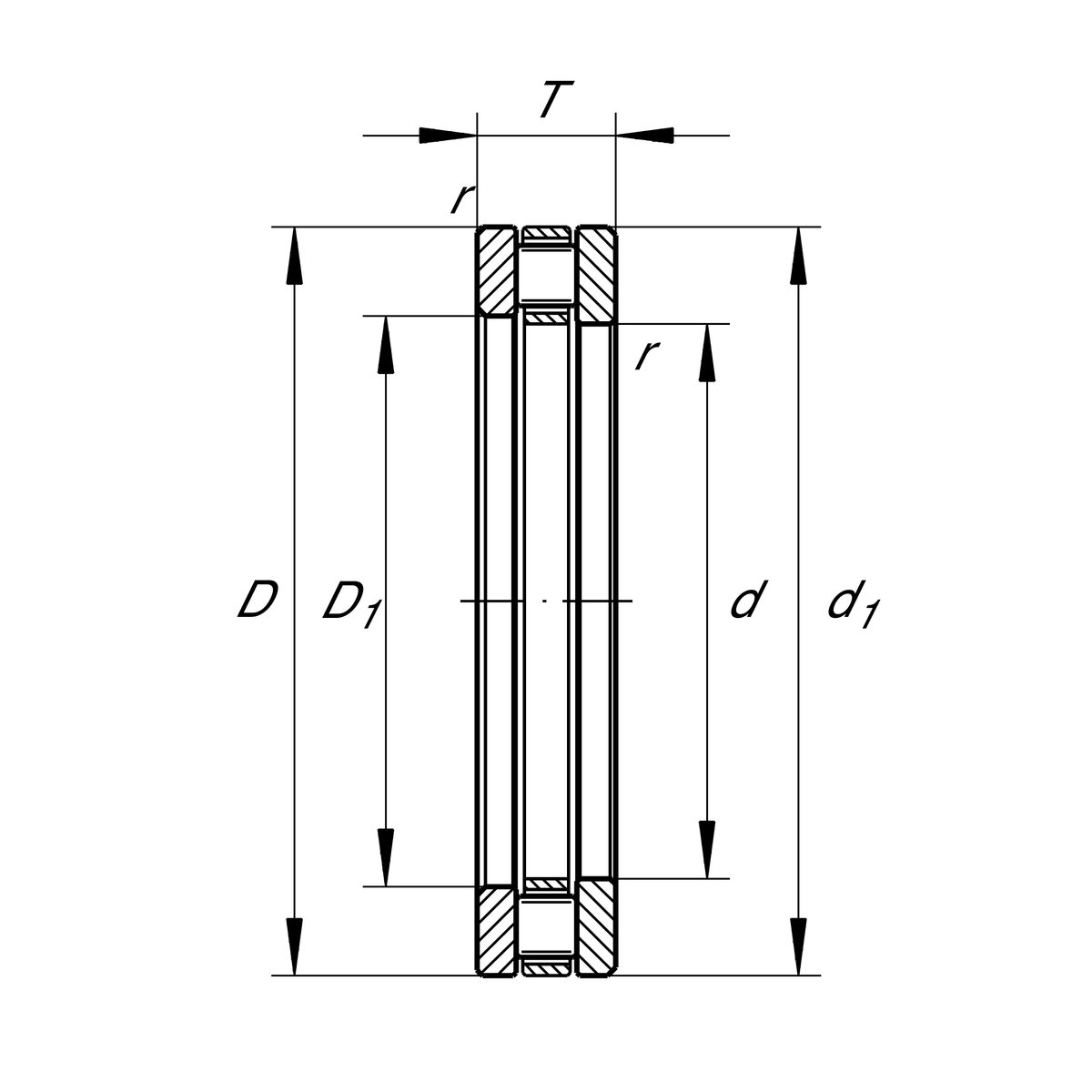
Main Dimensions & Performance Data
d
90 mm
Bore diameter
T
22 mm
Height
Ca
141,000 N
Basic dynamic load rating, axial
C0a
465,000 N
Basic static load rating, axial
Cua
41,000 N
Fatigue load limit, axial
nG
2,750 1/min
Limiting speed
nϑr
1,070 1/min
Reference speed
D
120 mm
Outside diameter
≈m
0.611 kg
Weight

Mounting dimensions
da min
117 mm
Minimum diameter shaft shoulder
Da max
93 mm
Maximum diameter of housing shoulder
ra max
1 mm
Maximum recess radius

Dimensions
D1
92 mm
Bore diameter housing washer
d1
120 mm
Rip diameter shaft washer
rmin
1 mm
Minimum chamfer dimension

Temperature range
Tmin
-30 °C
Operating temperature min.
Tmax
120 °C
Operating temperature max.

Additional information
K81118-TV
Axial roller and cage assembly
GS81118
Housing Washer
WS81118
Shaft washer
LS90120
Track Washer

Your current product variant
CageTVPlastic Cage made from PA66
Thêm vào yêu cầu báo giá