PRODUCTS

  • Home
  • Giới thiệu sản phẩm

FAG
2218-TVH
Self-aligning ball bearing 2218-TVH
Thêm vào yêu cầu báo giá
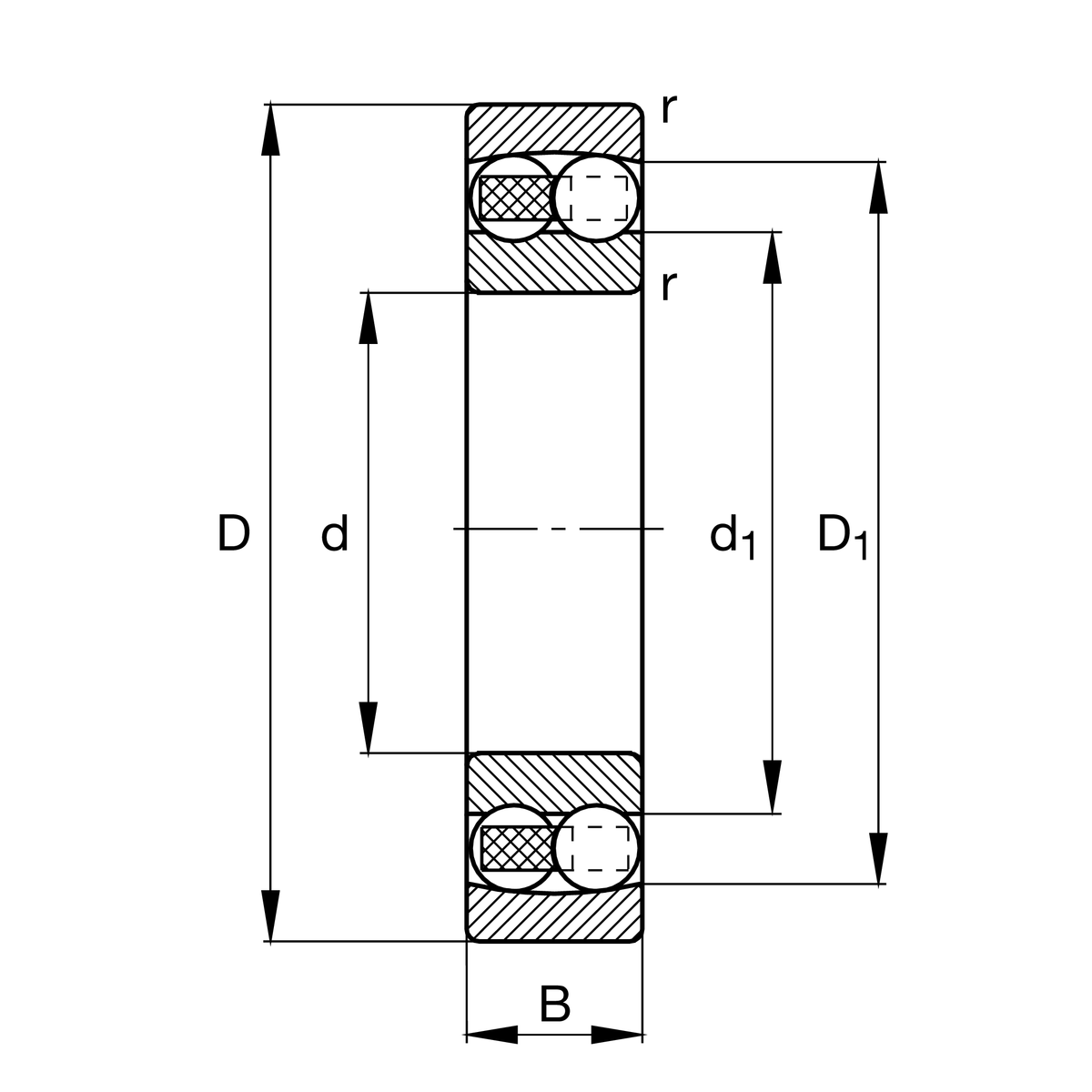
Main Dimensions & Performance Data
d
90 mm
Bore diameter
D
160 mm
Outside diameter
B
40 mm
Width
Cr
71,000 N
Basic dynamic load rating, radial
C0r
28,500 N
Basic static load rating, radial
Cur
1,630 N
Fatigue load limit, radial
nG
4,400 1/min
Limiting speed
nϑr
5,200 1/min
Reference speed
≈m
3.104 kg
Weight

Mounting dimensions
da min
101 mm
Minimum diameter shaft shoulder
Da max
149 mm
Maximum diameter of housing shoulder
ra max
2 mm
Maximum fillet radius

Dimensions
rmin
2 mm
Minimum chamfer dimension
D1
139.35 mm
Shoulder diameter outer ring
d1
111.5 mm
Shoulder diameter inner ring

Temperature range
Tmin
-30 °C
Operating temperature min.
Tmax
120 °C
Operating temperature max.

Calculation factors
e
0.27
Limiting value of Fa/Fr for the applicability of diff. Values of factors X and Y
Y1
2.33
Dynamic axial load factor
Y2
3.61
Dynamic axial load factor
Y0
2.45
Static axial load factor

Your current product variant
Bore typeZCylindrical
SealingWithoutNot sealed
CageTVHsolid cage made of glass-fiber reinforced polyamid PA66
Tolerance classPNNormal (PN)
LubricantWithoutBearing not greased
Radial internal clearanceCN (Group N)Normal internal clearance
Thêm vào yêu cầu báo giá