PRODUCTS

  • Home
  • Giới thiệu sản phẩm

FAG
20318-MB
Barrel roller bearing 20318-MB
Thêm vào yêu cầu báo giá
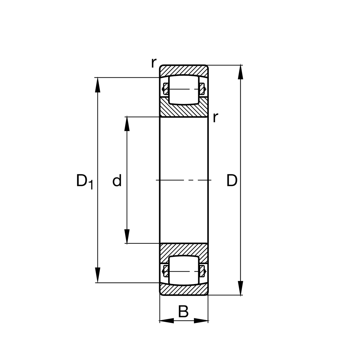
Main Dimensions & Performance Data
d
90 mm
Bore diameter
D
190 mm
Outside diameter
B
43 mm
Width
Cr
300,000 N
Basic dynamic load rating, radial
C0r
360,000 N
Basic static load rating, radial
Cur
31,500 N
Fatigue load limit, radial
nG
3,500 1/min
Limiting speed
≈m
6.12 kg
Weight

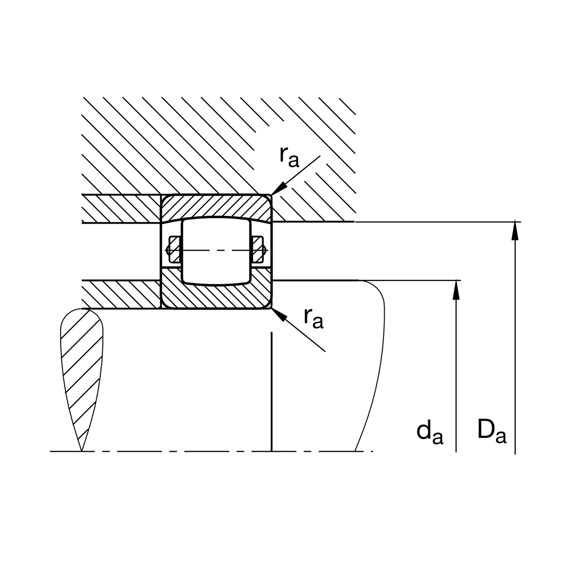
Mounting dimensions
da min
104 mm
Minimum diameter shaft shoulder
Da max
176 mm
Maximum diameter of housing shoulder
ra max
2.5 mm
Maximum recess radius

Dimensions
rmin
3 mm
Minimum chamfer dimension
D1
165.1 mm
Bore diameter outer ring

Temperature range
Tmin
-30 °C
Operating temperature min.
Tmax
200 °C
Operating temperature max.

Your current product variant
Bore typeZCylindrical
CageMBSolid brass cage
Radial internal clearanceCN (Group N)Normal internal clearance
Thêm vào yêu cầu báo giá