PRODUCTS

  • Home
  • Giới thiệu sản phẩm

FAG
20218-MB
Barrel roller bearing 20218-MB
Thêm vào yêu cầu báo giá
Main Dimensions & Performance Data
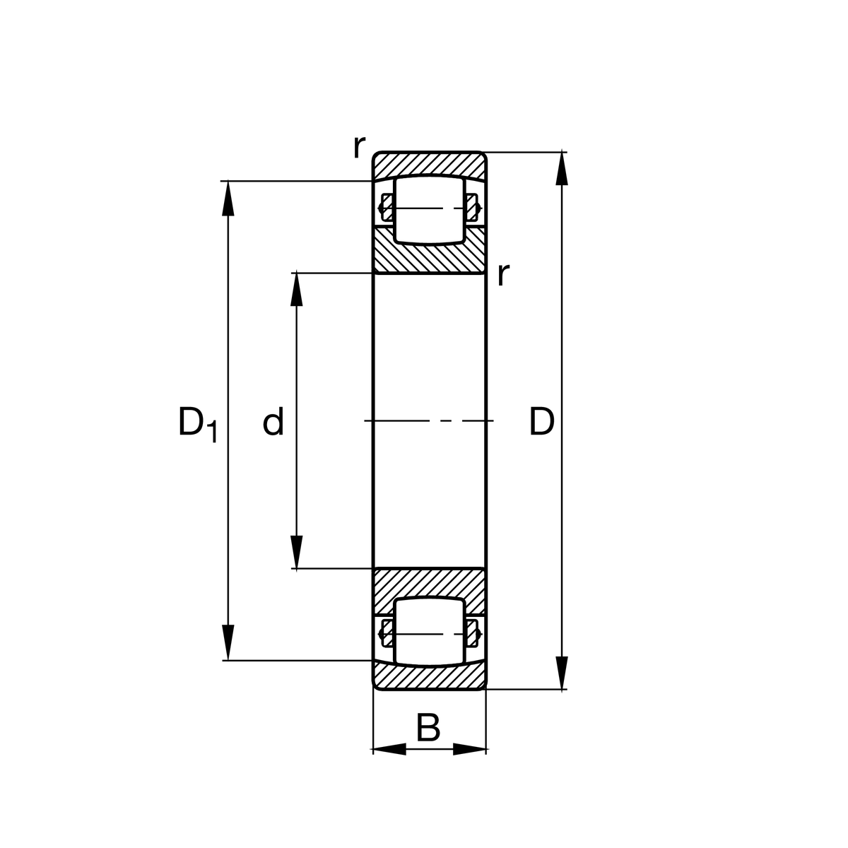
d
90 mm
Bore diameter
D
160 mm
Outside diameter
B
30 mm
Width
Cr
174,000 N
Basic dynamic load rating, radial
C0r
220,000 N
Basic static load rating, radial
Cur
22,500 N
Fatigue load limit, radial
nG
4,550 1/min
Limiting speed
≈m
2.76 kg
Weight

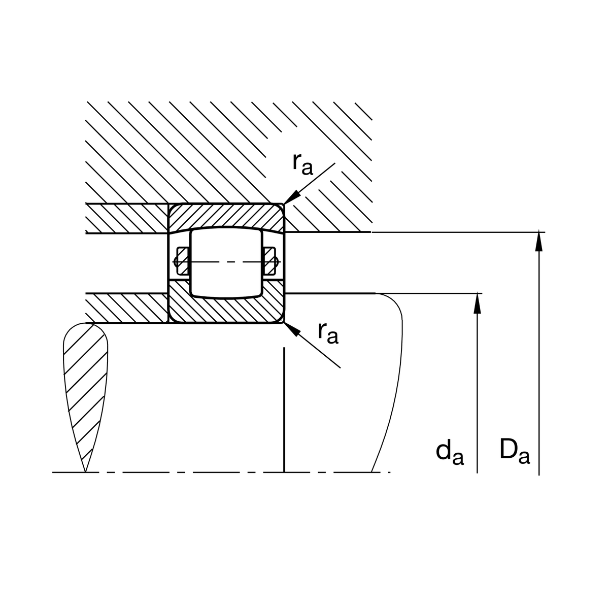
Mounting dimensions
da min
101 mm
Minimum diameter shaft shoulder
Da max
149 mm
Maximum diameter of housing shoulder
ra max
2 mm
Maximum recess radius

Dimensions
rmin
2 mm
Minimum chamfer dimension
D1
143.8 mm
Bore diameter outer ring

Temperature range
Tmin
-30 °C
Operating temperature min.
Tmax
200 °C
Operating temperature max.

Your current product variant
Bore typeZCylindrical
CageMBSolid brass cage
Radial internal clearanceCN (Group N)Normal internal clearance
Thêm vào yêu cầu báo giá