PRODUCTS

  • Home
  • Giới thiệu sản phẩm

INA
CSXB035
Four-point contact bearing CSXB035
Thêm vào yêu cầu báo giá
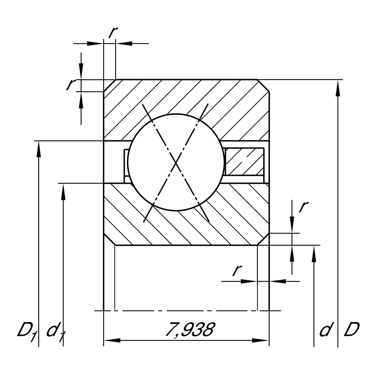
Main Dimensions & Performance Data
d
88.9 mm
Bore diameter
D
104.775 mm
Outside diameter
B
7.938 mm
Width
Cr
7,700 N
Basic dynamic load rating, radial
C0r
10,600 N
Basic static load rating, radial
nG
3,750 1/min
Limiting speed
≈m
120 g
Weight

Dimensions
rmin
1 mm
Minimum chamfer dimension
d1
94.8 mm
Shoulder diameter inner ring
D1
98.9 mm
Shoulder diameter outer ring
α
30 °
Contact angle

Temperature range
Tmin
-30 °C
Operating temperature min.
Tmax
120 °C
Operating temperature max.

Your current product variant
Logistical codeHLE-
SealingWithoutNot sealed
CageYHbrass sheet metal
Tolerance classPL1Class PL1, Normal
LubricantWithoutBearing not greased
Radial internal clearancePL1Class PL1, Normal
Thêm vào yêu cầu báo giá