PRODUCTS

  • Home
  • Giới thiệu sản phẩm

FAG
UCFC217
Flanged housing unit UCFC217
Thêm vào yêu cầu báo giá
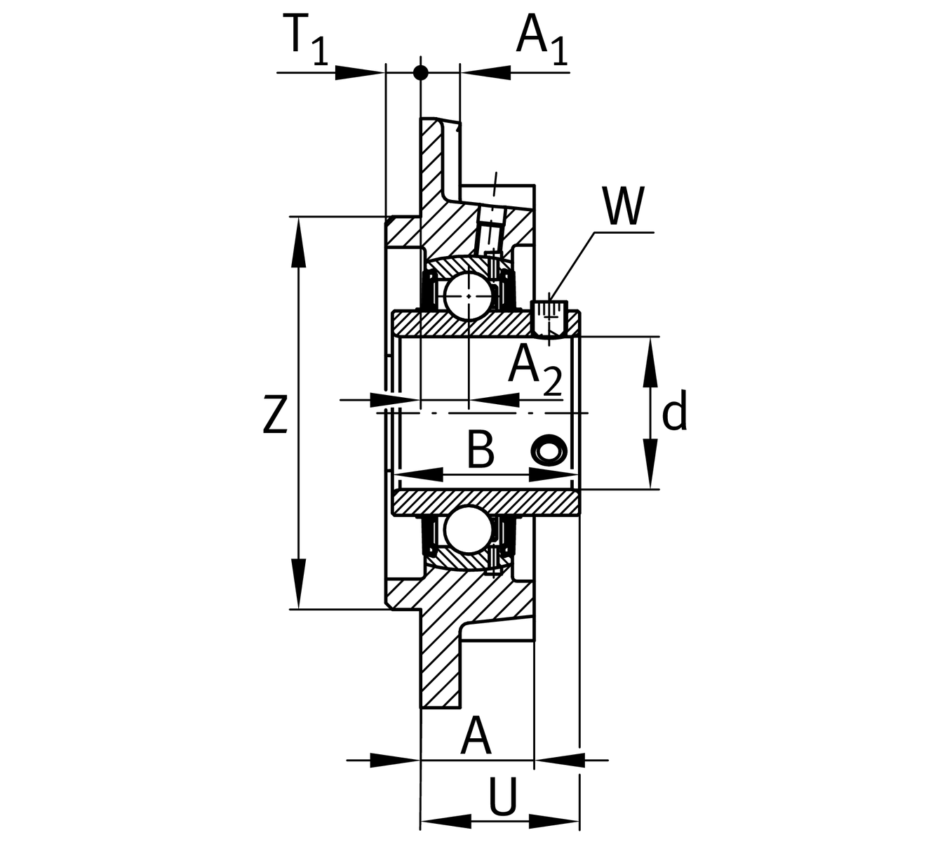
Main Dimensions & Performance Data
d
85 mm
Bore diameter
H
250 mm
Height flange
U
69.6 mm
Total height unit
Cr
88,000 N
Basic dynamic load rating, radial
C0r
64,000 N
Basic static load rating, radial
Cur
2,490 N
Fatigue load limit, radial
≈m
10.38 kg
Weight

Mounting dimensions
J
208 mm
Distance fixing bore
J
208 mm
Pitch circle diameter (holes)
N
23 mm
Fixing bore
N1
147.1 mm
Distance fixing bore
T1
18 mm
Height spigot
Z
180 mm
Diameter spigot
h8
Diameter spigot clearance
n
4
Number of screwing holes

Dimensions
A
45 mm
Height housing
A1
20 mm
Thickness of flange
A2
18 mm
Distance raceway
B
85.7 mm
Width
Q
M6
Connection thread for lubrication

Additional information
1
Number of housings
FC217
Housing
UC217
Bearing designation

Temperature range
Tmin
-20 °C
Operating temperature min.
Tmax
120 °C
Operating temperature max.

Your current product variant
MaterialGGGrey cast iron
Thêm vào yêu cầu báo giá