PRODUCTS

  • Home
  • Giới thiệu sản phẩm

INA
3004-2RS-J56A
Angular contact ball bearing 3004-2RS-J56A
Thêm vào yêu cầu báo giá
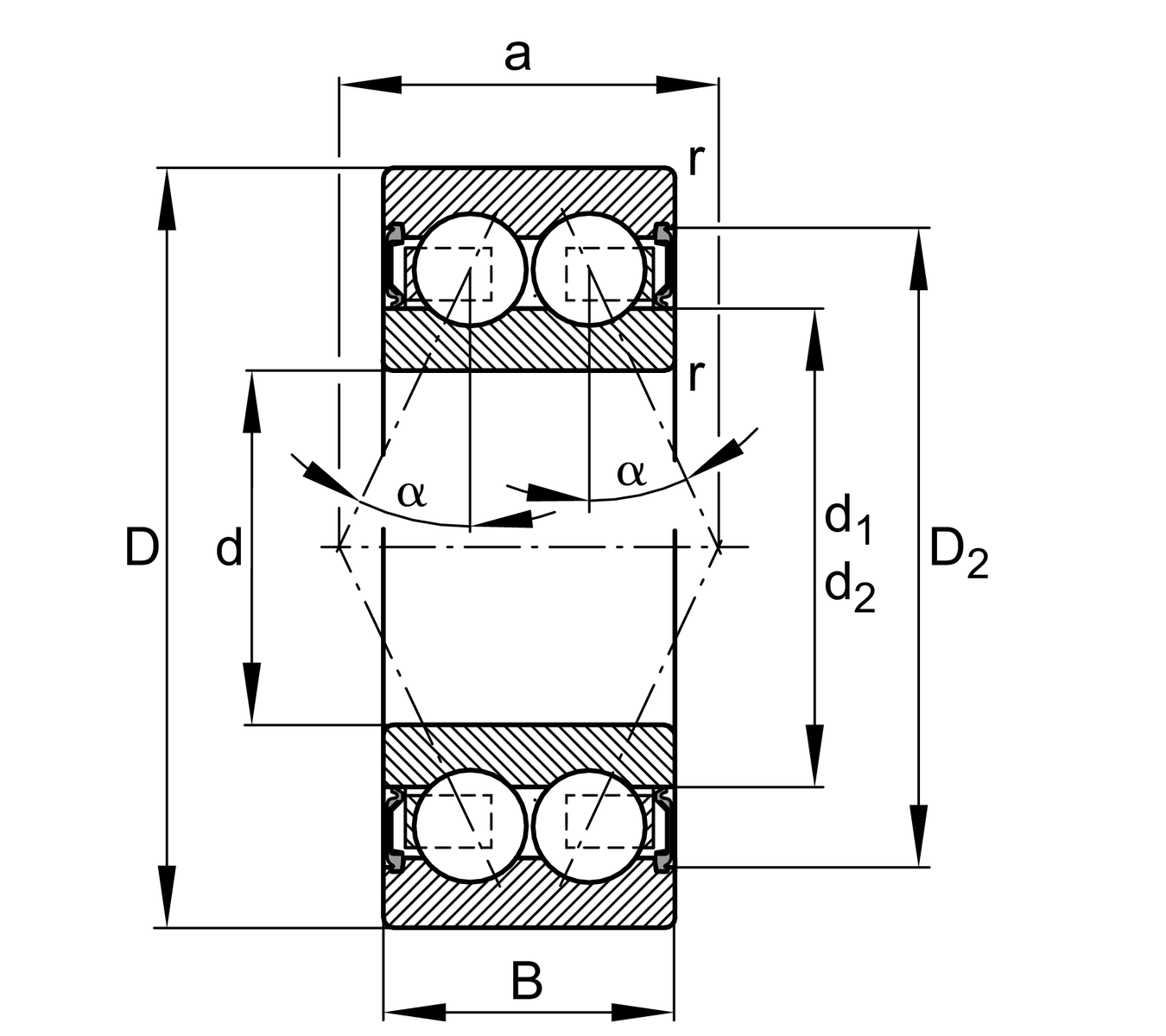
Main Dimensions & Performance Data
d
20 mm
Bore diameter
D
42 mm
Outside diameter
B
16 mm
Width
Cr
14,300 N
Basic dynamic load rating, radial
C0r
9,400 N
Basic static load rating, radial
Cur
490 N
Fatigue load limit, radial
nG
10,500 1/min
Limiting speed
≈m
0.092 kg
Weight

Mounting dimensions
da min
23.2 mm
Minimum diameter shaft shoulder
Da max
38.8 mm
Maximum diameter of housing shoulder
ra max
0.6 mm
Maximum fillet radius

Dimensions
rmin
0.6 mm
Minimum chamfer dimension
D1
35 mm
Shoulder diameter outer ring
D2
36.38 mm
Caliber diameter outer ring
d1
27.1 mm
Shoulder diameter inner ring
d2
25.31 mm
Caliber diamter inner ring
a
21.1 mm
Distance between the apexes of the pressure cones
α
25 °
Contact angle

Temperature range
Tmin
-20 °C
Operating temperature min.
Tmax
100 °C
Operating temperature max.

Your current product variant
Design variantBBearing without filling slot
Sealing2RSContact seal on both sides
CageTVHsolid cage made of glass-fiber reinforced polyamid PA66
Tolerance classPNNormal (PN)
Dimensional / heat stabilization SNRings dimensional stabilized up to 120°
LubricantGA14Ball bearing grease, low noise, standard for D<=62mm
Axial internal clearanceCNGroup N (CN)
Thêm vào yêu cầu báo giá