PRODUCTS

  • Home
  • Giới thiệu sản phẩm

INA
CRB20/76-XL
Radial insert ball bearing CRB20/76-XL
Thêm vào yêu cầu báo giá
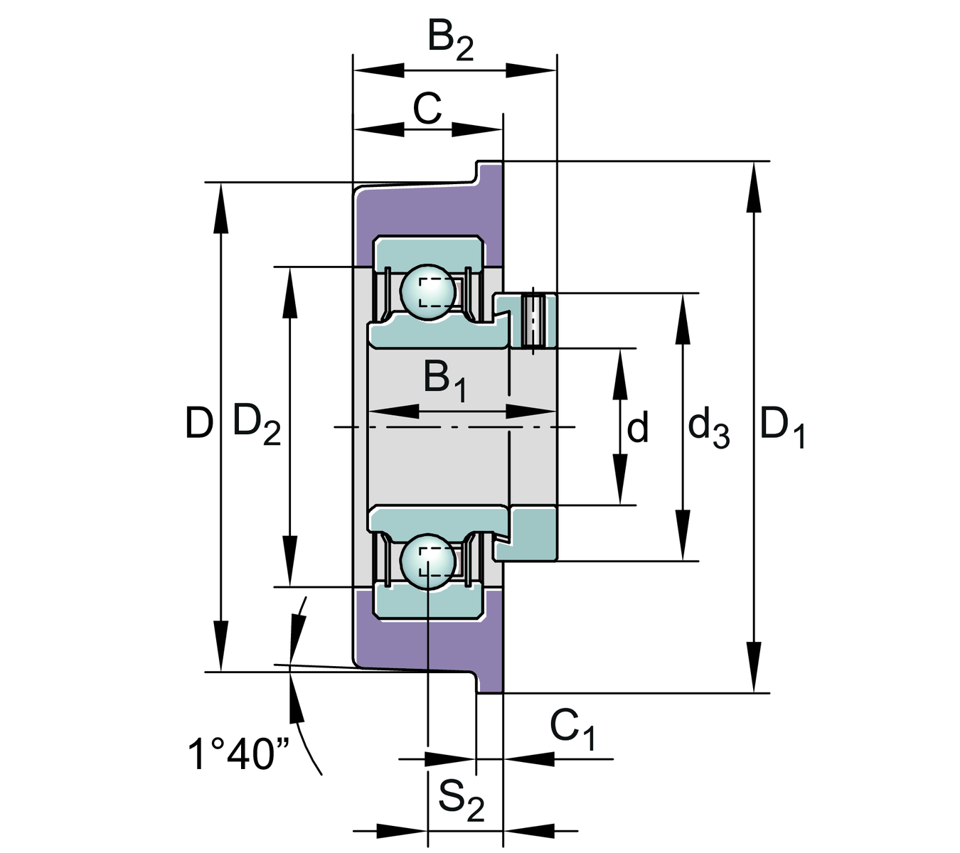
Main Dimensions & Performance Data
d
20 mm
Bore diameter
D
77.5 mm
Outside diameter
C
25.4 mm
Width, outer ring
B2
36 mm
Width total
B1
31 mm
Locking collar total width
Cr
12,800 N
Basic dynamic load rating, radial
C0r
6,600 N
Basic static load rating, radial
Cur
315 N
Fatigue load limit, radial
750 N
Load carrying capacity (rubber interliner)
≈m
0.27 kg
Weight

Dimensions
D1
80 mm
Flange diameter
C1
5 mm
Thickness of flange
D2
40 mm
Flange diameter rubber interliner
d3
33 mm
Outside diameter locking collar/locknut
S2
12.5 mm
Distance raceway to rubber interliner flange side

Calculation factors
f0
13.1
Calculation factor

Additional information
RAE20-XL-NPP
Bearing designation
Shore A
80 °
Hardness rubber interliner
Thêm vào yêu cầu báo giá