PRODUCTS

  • Home
  • Giới thiệu sản phẩm

FAG
1217-TVH
Self-aligning ball bearing 1217-TVH
Thêm vào yêu cầu báo giá
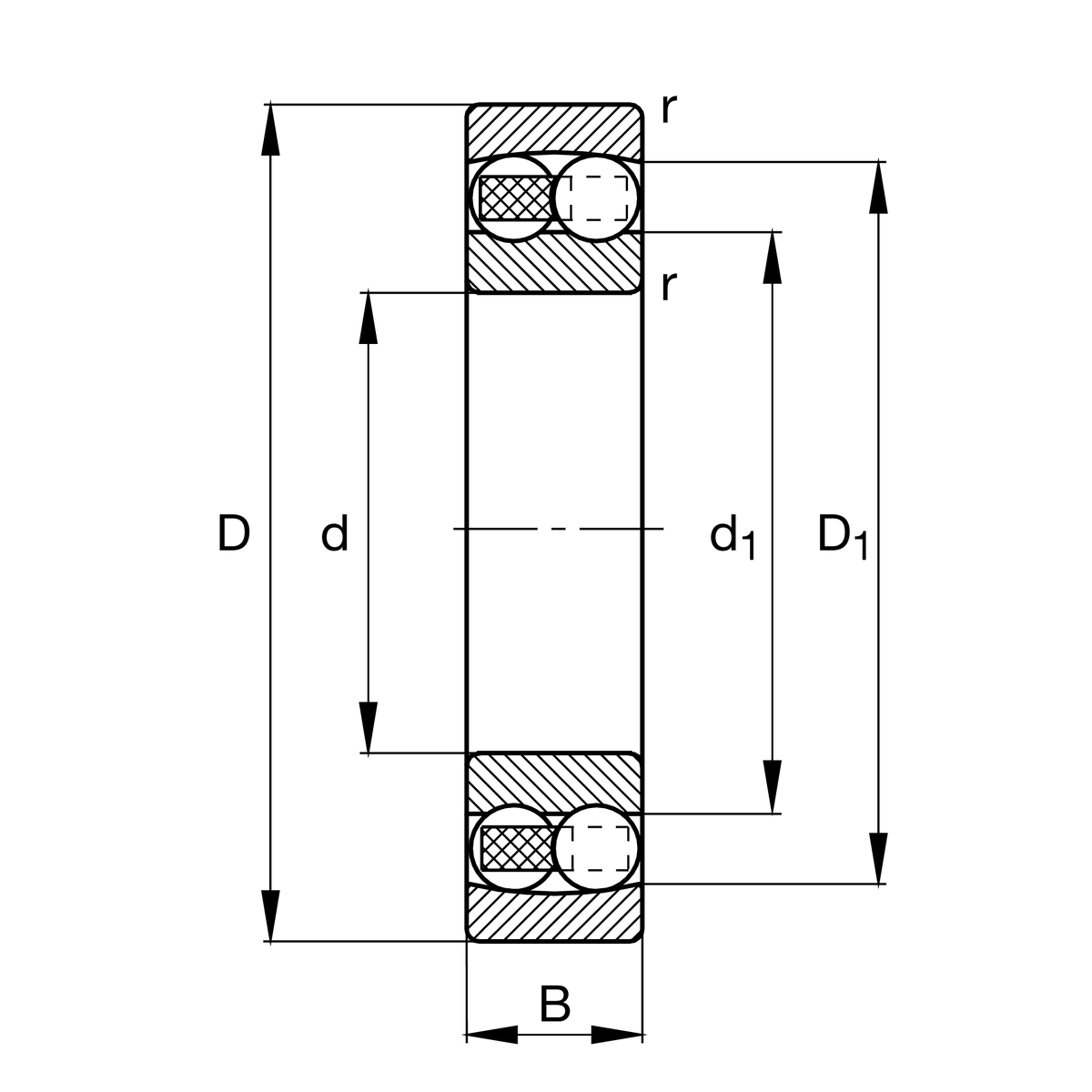
Main Dimensions & Performance Data
d
85 mm
Bore diameter
D
150 mm
Outside diameter
B
28 mm
Width
Cr
49,500 N
Basic dynamic load rating, radial
C0r
20,800 N
Basic static load rating, radial
Cur
1,210 N
Fatigue load limit, radial
nG
4,900 1/min
Limiting speed
nϑr
4,950 1/min
Reference speed
≈m
2.065 kg
Weight

Mounting dimensions
da min
96 mm
Minimum diameter shaft shoulder
Da max
139 mm
Maximum diameter of housing shoulder
ra max
2 mm
Maximum fillet radius

Dimensions
rmin
2 mm
Minimum chamfer dimension
D1
130.39 mm
Shoulder diameter outer ring
d1
107.5 mm
Shoulder diameter inner ring

Temperature range
Tmin
-30 °C
Operating temperature min.
Tmax
120 °C
Operating temperature max.

Calculation factors
e
0.17
Limiting value of Fa/Fr for the applicability of diff. Values of factors X and Y
Y1
3.74
Dynamic axial load factor
Y2
5.79
Dynamic axial load factor
Y0
3.92
Static axial load factor

Your current product variant
Bore typeZCylindrical
SealingWithoutNot sealed
CageTVHsolid cage made of glass-fiber reinforced polyamid PA66
Tolerance classPNNormal (PN)
LubricantWithoutBearing not greased
Radial internal clearanceCN (Group N)Normal internal clearance
Thêm vào yêu cầu báo giá