PRODUCTS

  • Home
  • Giới thiệu sản phẩm

FAG
UCT204-12
Take-up housing unit UCT204-12
Thêm vào yêu cầu báo giá
Main Dimensions & Performance Data
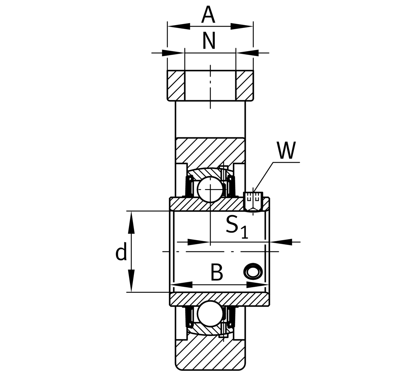
d
19.05 mm
Bore diameter
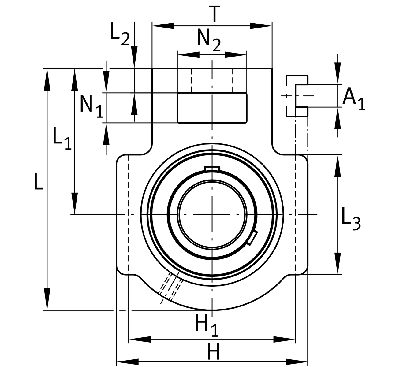
H
89 mm
Height
L
94 mm
Length total
≈m
0.73 kg
Weight

Mounting dimensions
A1
12 mm
Width guidance groove
0.2 mm
Upper width guidance groove tolerance
0 mm
Lower width guidance groove tolerance
H1
76 mm
Distance guidance grooves
0 mm
Upper distance guidance groove tolerance
-0.5 mm
Lower distance guidance groove tolerance
N
19 mm
Fixing bore

Dimensions
L1
61 mm
Distance shaft axis
L2
10 mm
Length fixed link
L3
51 mm
Length guidance groove
A
32 mm
Width housing fixing side
N1
16 mm
Width recess
N2
32 mm
Height recess
B
31 mm
Width inner ring
S1
18.3 mm
Distance of raceway to locking collar
T
51 mm
Height housing fixing side
Q
M6
Connection thread for lubrication
A2
21 mm
Width housing

Additional information
T204
Housing
UC204-12
Bearing designation

Temperature range
Tmin
-20 °C
Operating temperature min.
Tmax
120 °C
Operating temperature max.

Your current product variant
MaterialGGGrey cast iron
Thêm vào yêu cầu báo giá