PRODUCTS

  • Home
  • Giới thiệu sản phẩm

FAG
UCF217-53
Flanged housing unit UCF217-53
Thêm vào yêu cầu báo giá
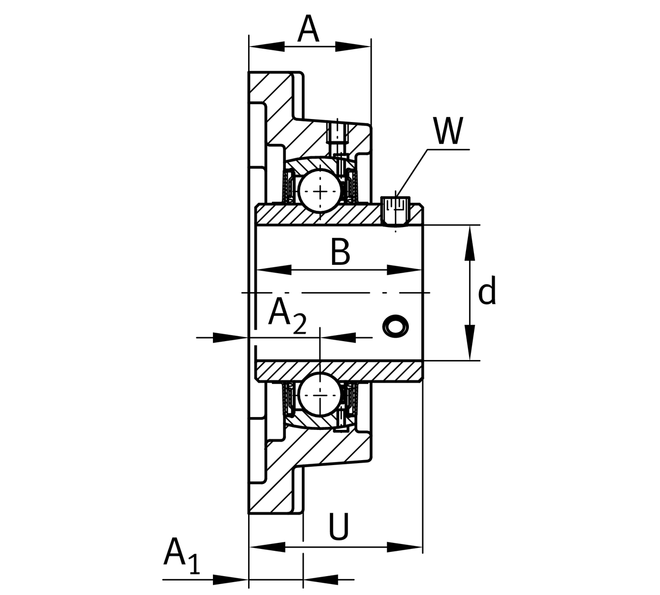
Main Dimensions & Performance Data
d
84.137 mm
Bore diameter
L
220 mm
Flange width
U
87.6 mm
Total height unit
Cr
88,000 N
Basic dynamic load rating, radial
C0r
64,000 N
Basic static load rating, radial
Cur
2,490 N
Fatigue load limit, radial
≈m
9.1 kg
Weight

Mounting dimensions
J
175 mm
Distance fixing bore
N
23 mm
Fixing bore
N1
175 mm
Distance fixing bore
n
4
Number of screwing holes

Dimensions
A
63 mm
Height housing
A1
26 mm
Thickness of flange
A2
36 mm
Distance raceway
B
87.6 mm
Width
Q
M6
Connection thread for lubrication

Additional information
1
Number of housings
F217
Housing
UC217-53
Bearing designation

Temperature range
Tmin
-20 °C
Operating temperature min.
Tmax
120 °C
Operating temperature max.

Your current product variant
MaterialGGGrey cast iron
Thêm vào yêu cầu báo giá