PRODUCTS
- Home
- Giới thiệu sản phẩm
| d | 80 mm | Bore diameter |
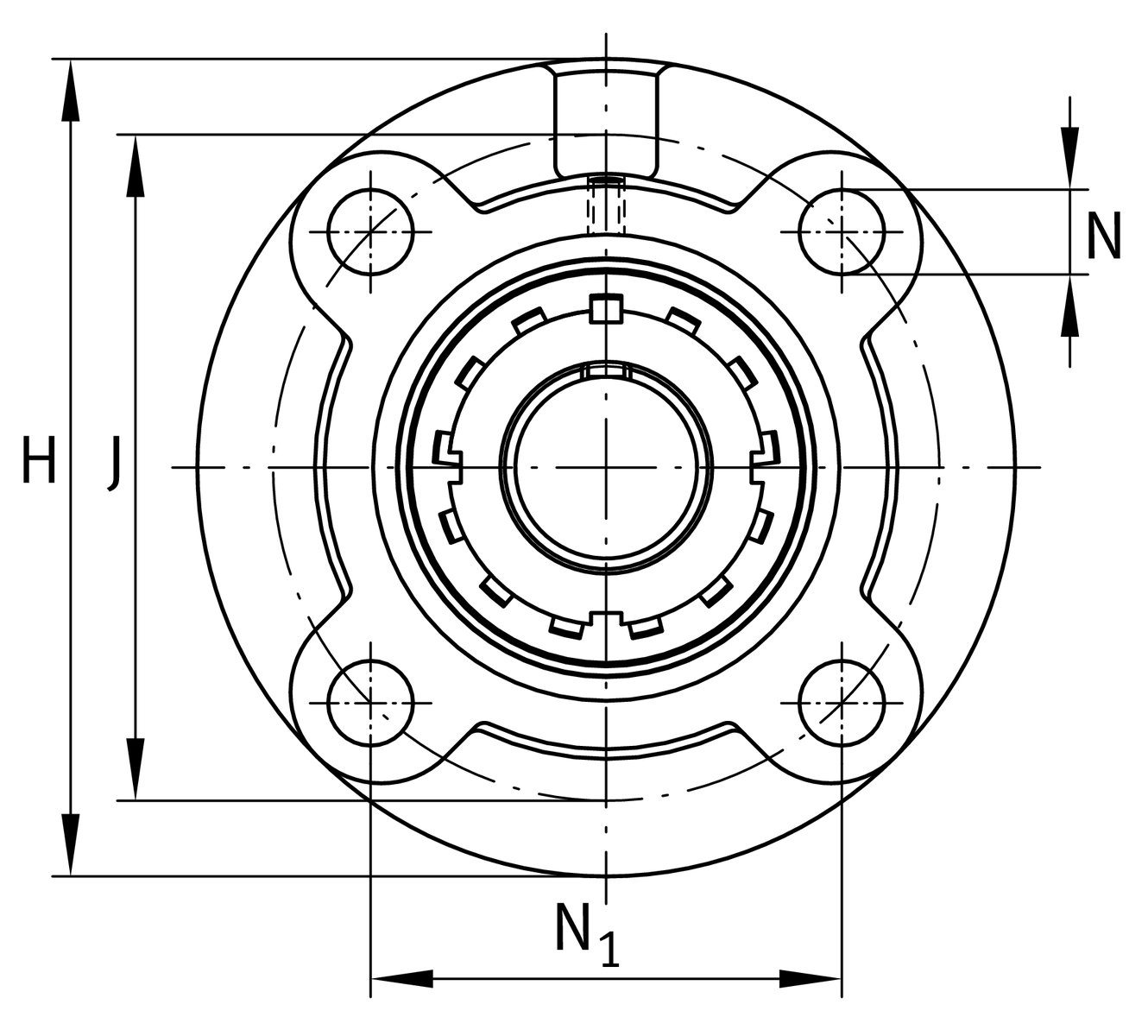
| H | 265 mm | Height flange |
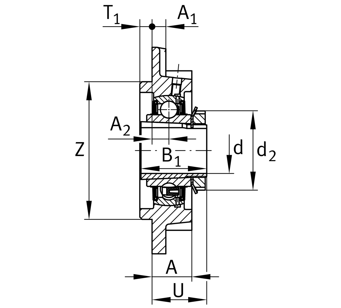
| U | 65.7 mm | Total height unit |
| Cr | 102,000 N | Basic dynamic load rating, radial |
| C0r | 72,000 N | Basic static load rating, radial |
| Cur | 3,350 N | Fatigue load limit, radial |
| ≈m | 12.76 kg | Weight |
| J | 220 mm | Pitch circle diameter (holes) |
| N | 23 mm | Fixing bore |
| N1 | 155.55 mm | Distance fixing bore |
| T1 | 18 mm | Height spigot |
| Z | 190 mm | Diameter spigot |
h8 | Diameter spigot clearance | |
| n | 4 | Number of screwing holes |
| A | 50 mm | Height housing |
| A1 | 20 mm | Thickness of flange |
| A2 | 22 mm | Distance raceway |
| B | 51 mm | Width |
| B1 | 86 mm | Locking collar total width |
| d3 | 120 mm | Outside diameter eccentric locking collar |
1 | Number of housings | |
FC218 | Housing | |
UK218 | Bearing designation |
| Tmin | -20 °C | Operating temperature min. |
| Tmax | 120 °C | Operating temperature max. |
| Material | GG | Grey cast iron |