PRODUCTS
- Home
- Giới thiệu sản phẩm
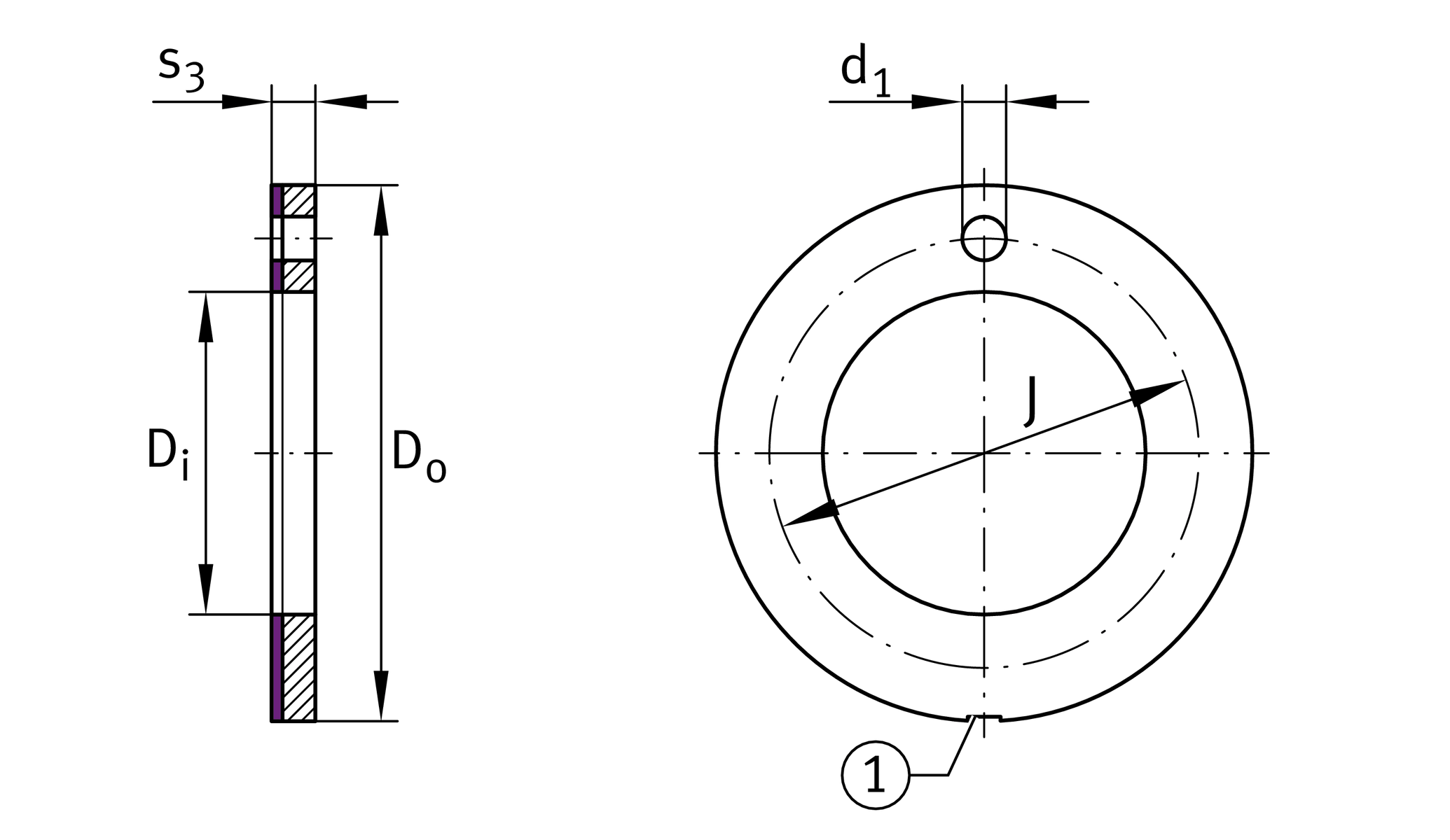
| Di | 16 mm | Inner diameter |
| s3 | 1.5 mm | Wall thickness |
| Ca | 70,800 N | Basic dynamic load rating, axial |
| C0a | 126,000 N | Basic static load rating, axial |
| Do | 30 mm | Outer Diameter |
| ≈m | 6.1 g | Weight |
| J | 22 mm | Pitch circle |
| d1 | 2 mm | Fixing hole diameter |
| ta | 1 mm | Mounting dimension |
| d6a | 30 mm | Mounting dimension d_6a |
| Di OT | 0.25 mm | Inner diameter, upper tolerance |
| Di UT | 0 mm | Inner diameter, lower tolerance |
| Do OT | 0 mm | Outside diameter, upper tolerance |
| Do UT | -0.25 mm | Outside diameter, lower tolerance |
| s3 OT | 0 mm | Wall thickness, upper tolerance |
| s3 UT | -0.05 mm | Wall thickness, lower tolerance |
| JOT | 0.12 mm | Pitch circle, upper tolerance |
| JUT | -0.12 mm | Pitch circle, lower tolerance |
| d1 OT | 0.4 mm | Fixing hole diameter, upper tolerance |
| d1 UT | 0.1 mm | Fixing hole diameter, lower tolerance |
| ta OT | 0.2 mm | Mounting dimension, upper tolerance |
| ta UT | -0.2 mm | Mounting dimension, lower tolerance |
| d6a OT | 0.12 mm | Mounting dimension d_6a, upper tolerance |
| d6a UT | 0 mm | Mounting dimension d_6a, lower tolerance |
| Tmin | -200 °C | Operating temperature min. |
| Tmax | 280 °C | Operating temperature max. |
| Material sliding Layer | E40 | Maintenance-free sliding layer E40 |
| Material back | B | Bronze backing |