PRODUCTS

  • Home
  • Giới thiệu sản phẩm

FAG
UCPA203-11
Plummer block housing unit UCPA203-11
Thêm vào yêu cầu báo giá
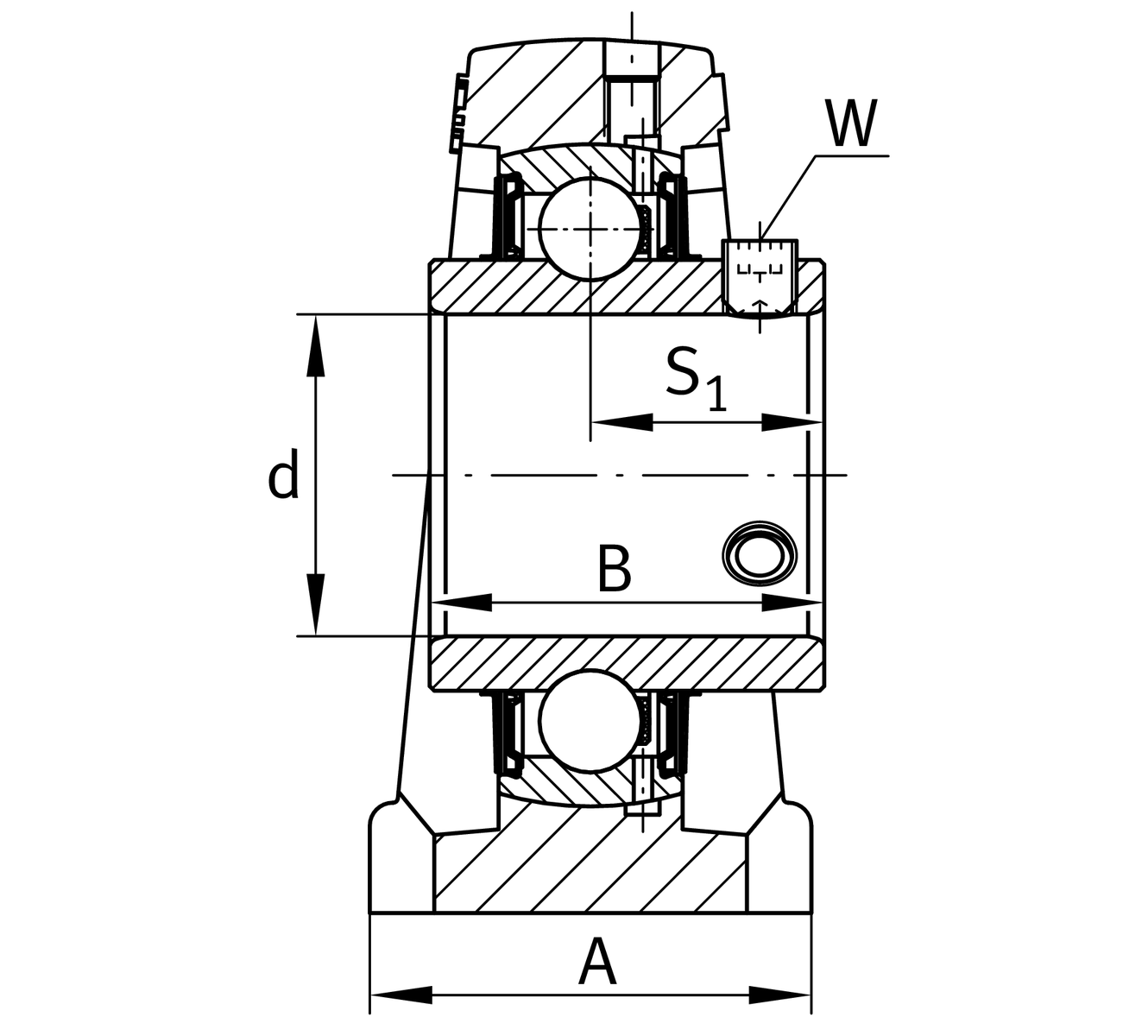
Main Dimensions & Performance Data
d
17.463 mm
Bore diameter
L
76 mm
Length total
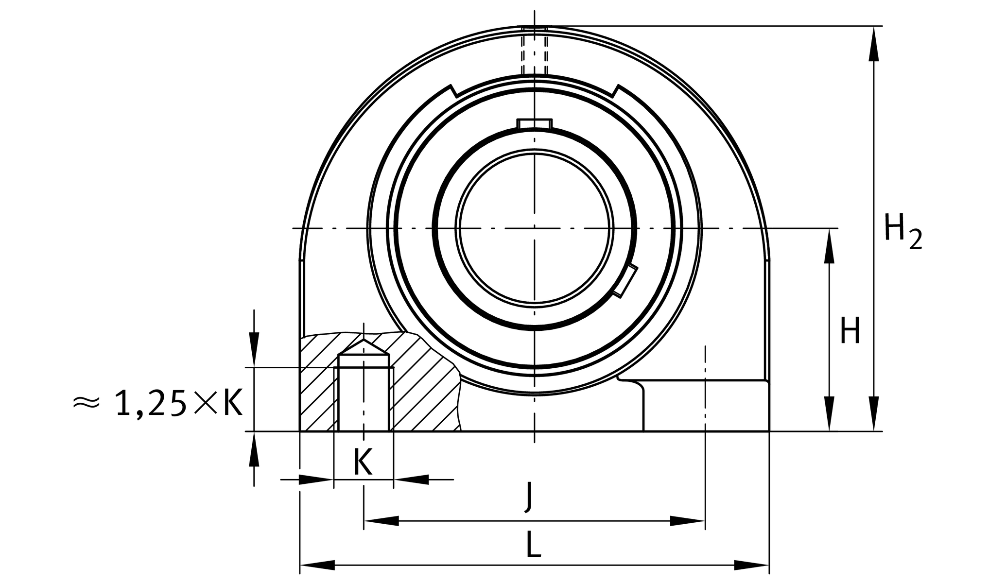
H2
62 mm
Height
≈m
0.63 kg
Weight

Mounting dimensions
J
52 mm
Distance fixing bore
K
M10
Thread fixing bore

Dimensions
H
30.2 mm
Distance shaft axis
A
38 mm
Width (base)
Q
M6
Connection thread for lubrication
B
31 mm
Width of inner ring
S1
18.3 mm
Distance of raceway to locking collar

Additional information
PA204
Housing
UC203-11
Bearing designation

Temperature range
Tmin
-20 °C
Operating temperature min.
Tmax
120 °C
Operating temperature max.

Your current product variant
MaterialGGGrey cast iron
Housing clearanceJ7Normal swivel torque
DummyGGcast iron
Thêm vào yêu cầu báo giá