PRODUCTS

  • Home
  • Giới thiệu sản phẩm

INA
DRS60150
Seal carrier Assy DRS60150
Thêm vào yêu cầu báo giá
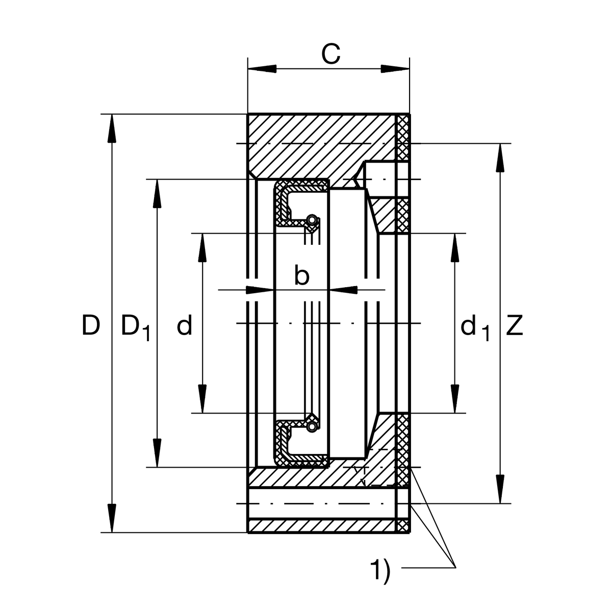
Main Dimensions & Performance Data
d1
105 mm
Inner diameter centering
D
150 mm
Outside diameter
C
30 mm
Width wave carrier
≈m
1.643 kg
Weight

Dimensions
Z
137.5 mm
Pitch circle diameter (holes)
d
105 mm
Inner diameter centering seal lip
D1
125 mm
Outside diameter seal
b
12 mm
Width seal
M5X40
Screw size
1)
4
Number of screws

Additional information
ZARF60150(-L)-TV
Bearing designation
Thêm vào yêu cầu báo giá