PRODUCTS

  • Home
  • Giới thiệu sản phẩm

Schaeffler
ARCALUB-X.CHAIN-PINION-10AB2-Z10-WF
Chain pinion ARCALUB-X.CHAIN-PINION-10AB2-Z10-WF
Thêm vào yêu cầu báo giá
Technical data
Lubrication of chains
Usage
Duplex (double-row)
Design
Pinion: plastic, roller: open cell PU foam
Material
top
0 °C … +60 °C
Operating temperature
7 m/s
Max. permissible circumferential speed at outside diameter
Oil
Lubricant
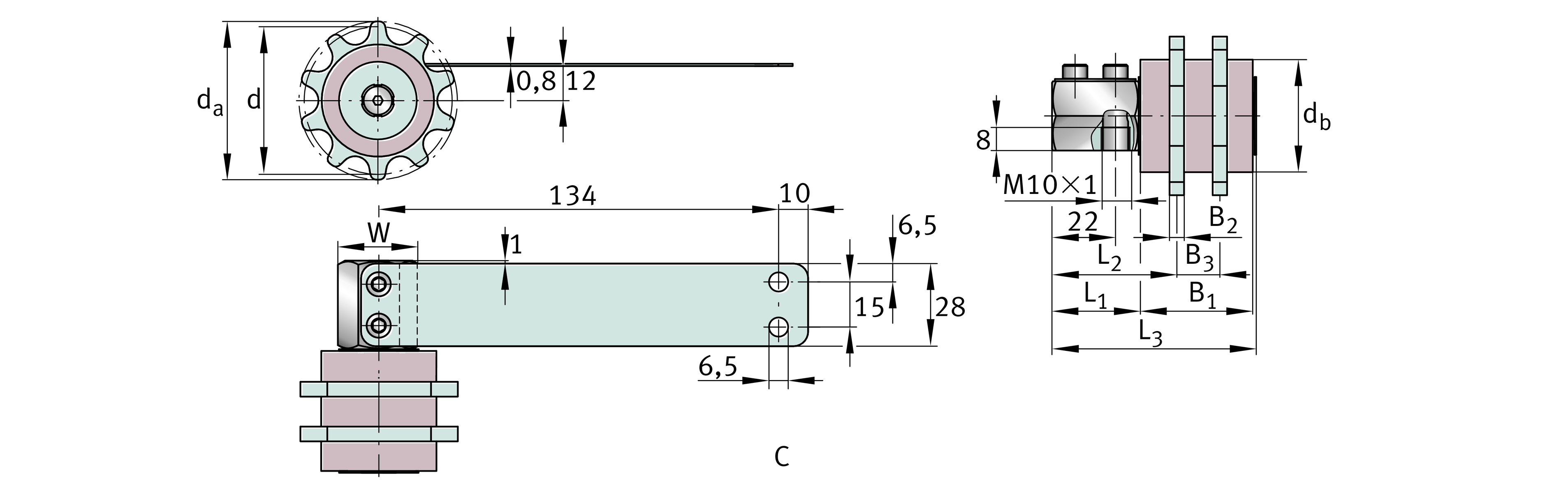
10 A/B-2
Chain type according to ISO 606
z
12
Teeth number
d
49.07 mm
Pitch circle diameter
da
53 mm
db
39 mm
B1
29 mm
B2
5 mm
B3
15 mm
L1
31.2 mm
L2
45.7 mm
L3
61.4 mm
W
24 mm
Width across flats
≈m
0.4 kg
Weight

Your current product variant
VersionAB-/B-2Chain lubrication pinions, duplex design
Thêm vào yêu cầu báo giá