PRODUCTS

  • Home
  • Giới thiệu sản phẩm

INA
XU080149-RR
Slewing ring, Crossed roller bearing, without gear teeth XU080149-RR
Thêm vào yêu cầu báo giá
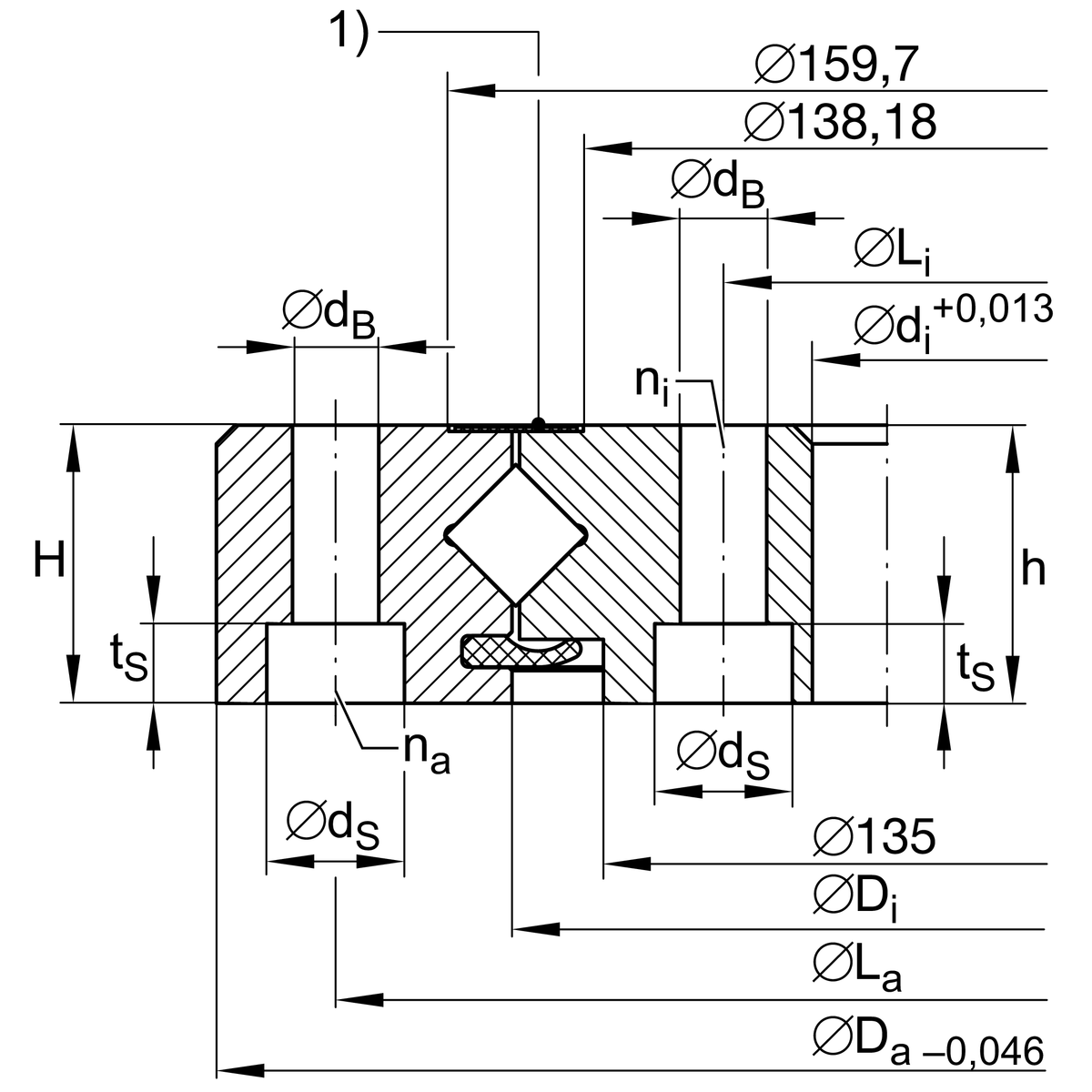
Main Dimensions & Performance Data
di
101.6 mm
Bore Diameter
0.013 mm
Bore diameter upper tolerance
0 mm
Bore diameter lower tolerance
Da
196.85 mm
Outside Diameter
0 mm
Outside diameter upper tolerance
-0.046 mm
Outside diameter lower tolerance
H
22.22 mm
Height
≈m
3.6 kg
Weight

Dimensions
Di
149.6 mm
Inner diameter outer ring
La
177.8 mm
Pitchcircle diameter fixing holes outer ring
na
16
Number of fixing holes in outer ring
hi
22.22 mm
height of inner ring
dB
6.9 mm
Fixing bore
dS
11 mm
Counterbore diameter of fixing holes
tS
6.35 mm
Counterbore depth of fixing holes
Li
115.8 mm
Pitchcircle diameter fixing holes inner ring
ni
16
Number of fixing holes in inner ring
VSPmin
0.005 mm
Min. bearing preload
VSPmax
0.02 mm
Maximum bearing preload

Temperature range
Tmin
-30 °C
Operating temperature min.
Tmax
80 °C
Operating temperature max.

Calculation factors
Ca
55,000 N
Basic dynamic load rating, axial
Cr
39,000 N
Basic dynamic load rating, radial (for radial load only)
C0a
77,000 N
Basic static load rating, axial
C0r
37,500 N
Basic static load rating, radial (for radial load only)
Fr zu.
15,400 N
Max. radial load screws

Your current product variant
CoatingRRProtected against corrosion by Corrotect special coating
Thêm vào yêu cầu báo giá