PRODUCTS

  • Home
  • Giới thiệu sản phẩm

INA
AB.LFR5301
Wiper AB.LFR5301
Thêm vào yêu cầu báo giá
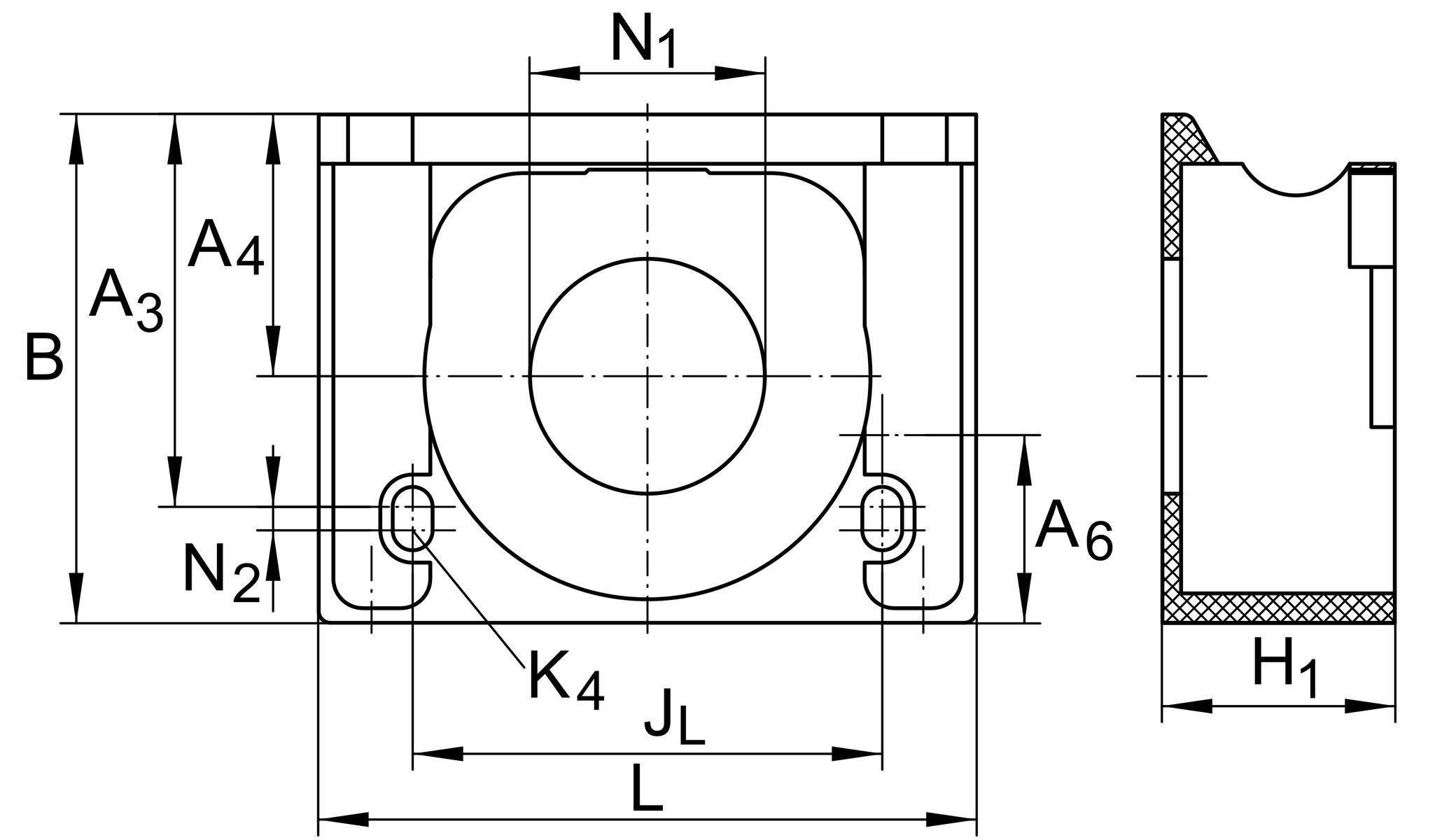
Main Dimensions & Performance Data
A3
38.7 mm
A4
26 mm
A6
10.4 mm
B
50 mm
H1
25 mm
jL
46 mm
K4
M3
L
76 mm
LTol
0.1
LTol
-0.1
N1
20 mm
N1 Tol
0.1
N2
2 mm
≈m
26 g
Weight

Related products
LFCL86
Compatible with the following carriage
LFR5301
Compatible with the following track roller

Your current product variant
Size code5301
Thêm vào yêu cầu báo giá