PRODUCTS

  • Home
  • Giới thiệu sản phẩm

INA
BK1414-RS
Drawn cup needle roller bearing closed end BK1414-RS
Thêm vào yêu cầu báo giá
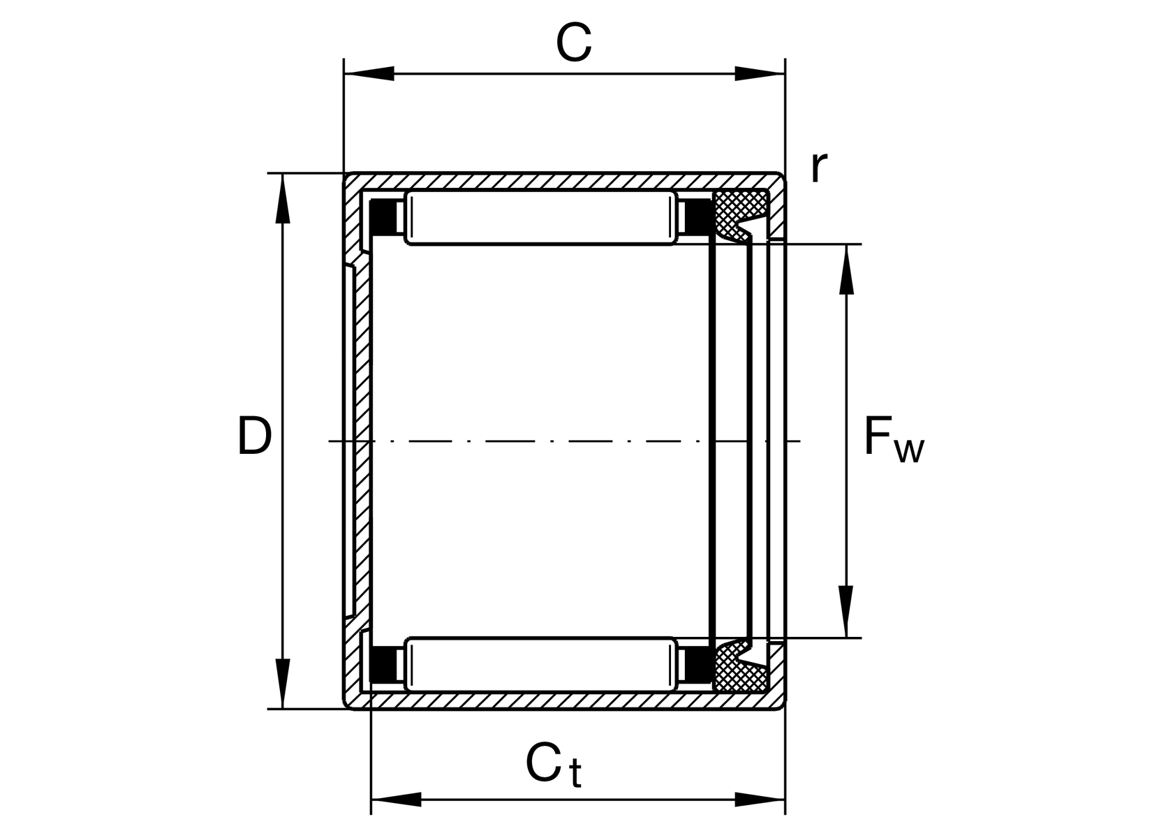
Main Dimensions & Performance Data
Fw
14 mm
Under roller diameter
D
20 mm
Outside diameter
C
14 mm
Width, outer ring
Cr
7,100 N
Basic dynamic load rating, radial
C0r
8,500 N
Basic static load rating, radial
Cur
1,030 N
Fatigue load limit, radial
nG Grease
10,500 1/min
Limiting speed for grease lubrication
nG
10,500 1/min
Limiting speed
≈m
13 g
Weight

Dimensions
rmin
0.8 mm
Minimum chamfer dimension
Ct min
11.3 mm
Minimum width to base of drawn cup with closed end

Temperature range
Tmin
-20 °C
Operating temperature min.
Tmax
100 °C
Operating temperature max.

Additional information
IR10X14X13-XL
Suitable inner rings IR

Your current product variant
CoatingWithout
SealingRSContact seal on one sides
Thêm vào yêu cầu báo giá