PRODUCTS

  • Home
  • Giới thiệu sản phẩm

FAG
2216-TVH-C3
Self-aligning ball bearing 2216-TVH-C3
Thêm vào yêu cầu báo giá
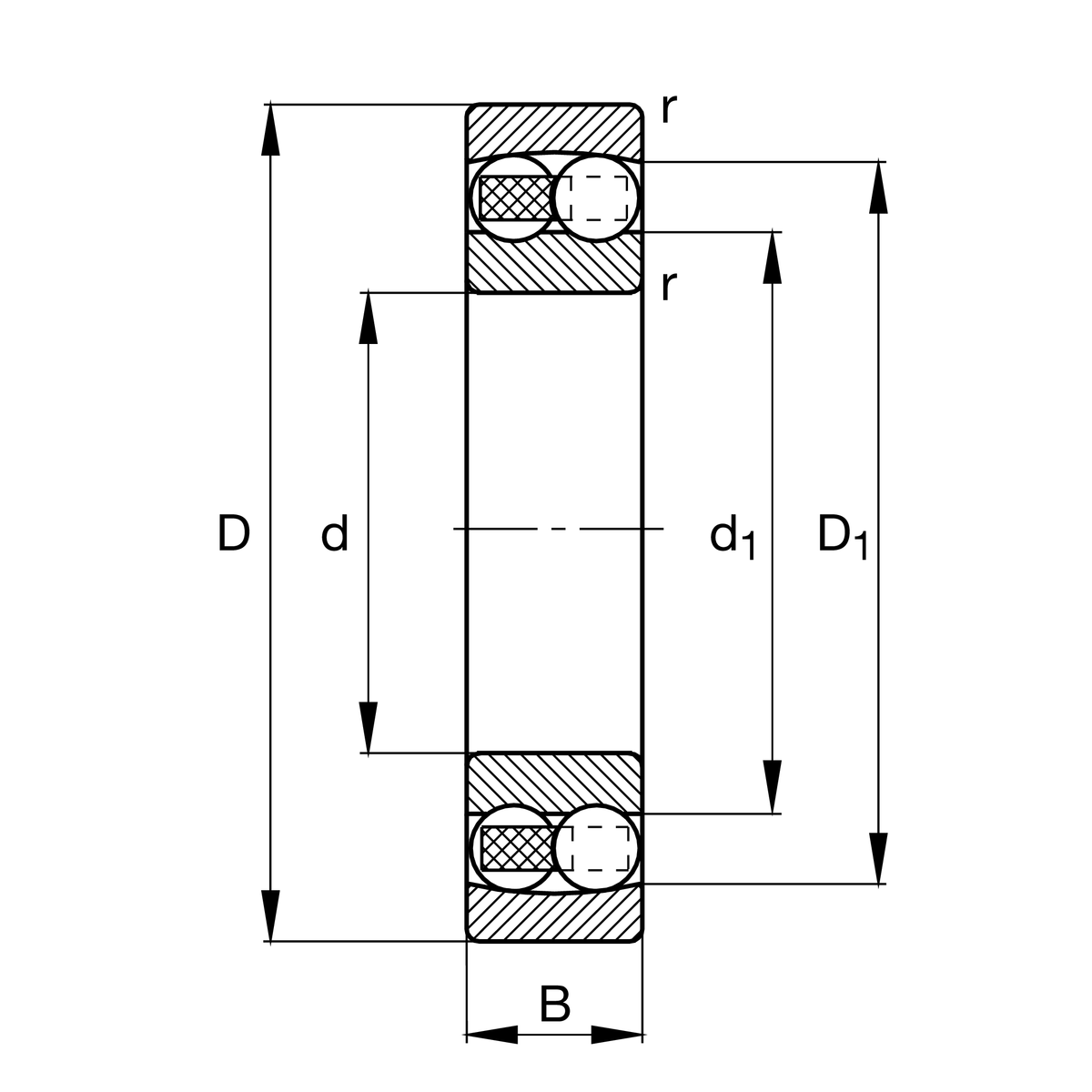
Main Dimensions & Performance Data
d
80 mm
Bore diameter
D
140 mm
Outside diameter
B
33 mm
Width
Cr
49,500 N
Basic dynamic load rating, radial
C0r
19,900 N
Basic static load rating, radial
Cur
1,210 N
Fatigue load limit, radial
nG
5,300 1/min
Limiting speed
nϑr
5,400 1/min
Reference speed
≈m
2.013 kg
Weight

Mounting dimensions
da min
91 mm
Minimum diameter shaft shoulder
Da max
129 mm
Maximum diameter of housing shoulder
ra max
2 mm
Maximum fillet radius

Dimensions
rmin
2 mm
Minimum chamfer dimension
D1
120.97 mm
Shoulder diameter outer ring
d1
99.2 mm
Shoulder diameter inner ring

Temperature range
Tmin
-30 °C
Operating temperature min.
Tmax
120 °C
Operating temperature max.

Calculation factors
e
0.25
Limiting value of Fa/Fr for the applicability of diff. Values of factors X and Y
Y1
2.48
Dynamic axial load factor
Y2
3.84
Dynamic axial load factor
Y0
2.6
Static axial load factor

Your current product variant
Bore typeZCylindrical
SealingWithoutNot sealed
CageTVHsolid cage made of glass-fiber reinforced polyamid PA66
Tolerance classPNNormal (PN)
LubricantWithoutBearing not greased
Radial internal clearanceC3 (Group 3)Internal clearance larger than CN
Thêm vào yêu cầu báo giá